Apollo 11
Flight Plan - Index
Page © 2019-2025 by W. David Woods, Kenneth D. MacTaggart and Frank O'Brien. All rights reserved.
Last updated 2025-02-15
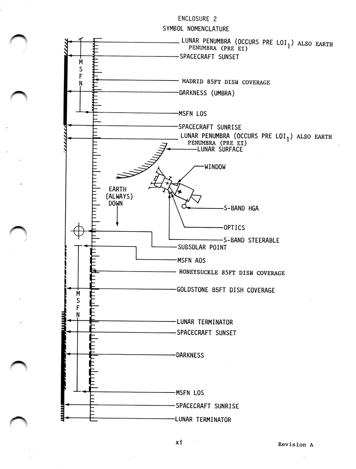
The Flight Plan presented here is not identical to that used on board but there are likely to be very few differences. These pages were derived from a PDF of a scan of the Flight Plan that was sent to the Honeysuckle Creek Tracking Station in Australia few days prior to the flight. The PDF was created by Colin Mackellar for the honeysucklecreek.net website and can be downloaded here.
Introductory Pages
Launch & Earth Orbit Phase
Translunar Injection, TD&E
Translunar Coast Phase
Lunar Orbit/Descent Phase
- 3-048 - 076 hours - Rev-1
- 3-049 - 078 hours - Rev-2, Eat Period
- 3-050 - 079 hours - Eat Period
- 3-050a - LOI-2 Burn Chart
- Intentionally Blank page
- 3-051 - 080 hours - Rev-2, Lunar Orbit Insertion 2
- 3-052 - 081 hours - Enter LM
- Intentionally Blank page
- 3-052a - CSM/LM Typical Landmark Tracking Profile
- 3-053 - 082 hours - Rev-4, LM Checkout
- 3-054 - 083 hours - LM Checkout
- 3-055 - 084 hours - Rev-5, Eat Period
- 3-055a - Lunar Orbit Rest Period Attitude
- 3-056 - 085 hours - Rest Period
- 3-057 - 086 hours - Rev-6, Rest Period
- 3-058 - 088 hours - Rev-7, Rest Period
- 3-059 - 090 hours - Rev-8, Rest Period
- 3-060 - 092 hours - Rev-9 & 10, Rest Period
- 3-061 - 094 hours - Eat Period
- 3-062 - 095 hours - Rev-11, IVT to LM
- 3-063 - 096 hours - LM Activation
- 3-064 - 097 hours - Rev-12, LM Activation
- 3-064a - CSM/LM Typical Landmark Tracking Profile
- 3-065 - 098 hours - LM Checkout
- 3-066 - 099 hours - Rev-13, LM Checkout
- 3-067 - 100 hours - CSM/LM Undocking and Separation
- 3-068 - 101 hours - Rev-14, Descent Orbit Insertion
- 3-069 - 102 hours - Lunar Landing
Lunar Orbit/Surface Phase
- 3-070 - 103 hours - Rev-15
- 3-071 - 104 hours - LM Eat Period
- 3-072 - 105 hours - Rev-16, CSM Eat Period, LM Eat & Rest Period
- 3-073 - 106 hours - CSM Eat Period, LM Rest Period
- 3-074 - 107 hours - Rev-17, CSM Plane Change, LM Rest Period
- 3-075 - 108 hours - Rest Period
- 3-076 - 109 hours - Rev-18, CSM Rest Period, LM Rest & Eat Period
- 3-077 - 110 hours - CSM Rest Period, LM Eat Period & EVA Prep
- 3-078 - 111 hours - Rev-19, CSM Rest & Eat Period, LM EVA Prep
- 3-079 - 112 hours - CSM Eat Period, Lunar EVA
- 3-080 - 113 hours - Rev-20, Lunar EVA
- 3-081 - 114 hours - Lunar EVA
- 3-082 - 115 hours - Rev-21, CSM Eat Period, LM Terminate EVA
- 3-083 - 116 hours - CSM Eat & Rest Period, LM Post EVA & Eat Period
- 3-084 - 117 hours - Rev-22, CSM Rest Period, LM Eat & Rest Period
- 3-085 - 118 hours - Rest Period
- 3-086 - 119 hours - Rev-23, Rest Period
- 3-087 - 121 hours - Rev-24, CSM Eat & Rest Period, LM Rest Period
- 3-088 - 122 hours - CSM & LM Eat Period
- 3-089 - 123 hours - Rev-25
Rendezvous/LM Jettison/Lunar Orbit Phase
Trans-Earth Coast Phase