
1,525 Panoramic Camera frames exposed
2,240 Mapping Camera frames exposed
SIM bay door jettisoned: 074:06:47.1 MET
TEC EVA performed by Alfred M. Worden (CMP)
| Commenced: | 241:57:12 MET |
| Finished: | 242:36:19 MET |
| Duration: | 39:07 |

Click image above to enlarge.
SIM Bay Door Jettison CSM Flight Plan
The image below shows the spacecraft attitude at time of SIM bay door jettison.

Click image above to enlarge.
073:52:46 Scott: Okay. Suit pressure integrity check is okay. The flow was about .3 or .4 [pounds per minute]. And we're proceeding into the setup for the SIM bay door jettison, and we'll give you a call when we get everything ready before we blow it.
073:53:03 Allen: Roger, Dave. Sounds good.
073:54:45 Irwin: Houston, this is 15. We're ready to turn Pan Camera Power, On, if you are.
073:54:54 Allen: Roger, Jim. Go ahead.
073:54:58 Irwin: Okay. It's coming on now.
073:57:14 Allen: 15, Houston.
073:57:21 Irwin: Go ahead, Houston.
073:57:23 Allen: Jim, we're not sure that the cameras are running properly. We want you to check the two SEB circuit breakers on panel 5, in, and confirm for us that you got the right talkback when you turned them On.
073:57:39 Irwin: The two circuit breakers on panel 5 are in. Stand by.
073:58:00 Irwin: Joe, there's no talkback called out here on the [line in the checklist which says] "Pan Camera Power, On."
073:58:20 Allen: Roger. We copy. And, Jim, apparently, when you turn the power on, you should get about 2 seconds of barber pole, and then back to gray. It may very well have happened and you just didn't notice it.
073:58:44 Irwin: Okay. Stand by.
073:59:19 Irwin: Houston, this is 15. Do you want us to turn the Pan Camera Power on again and check that talkback a little more carefully?
073:59:41 Allen: Jim, that sounds like a good...
073:59:43 Irwin: Houston, 15.
073:59:44 Allen: ...idea to us. Would you turn the Pan Camera Power off, wait 30 seconds, and then go back on, watching the barber - the - the barber pole indication, please.
073:59:56 Irwin: Okay, that's in work.
074:01:12 Irwin: Houston, this is 15.
074:01:15 Allen: Roger. Go ahead.
074:01:19 Irwin: Roger. We have the SM/AC Power, Off, down on 180 [sic], per the P40 checklist. Should we put that power on?
074:01:28 Allen: Jim, that's affirmative. That power should be on, and that's probably our problem. Thank you.
074:01:35 Irwin: Okay.
074:02:03 Scott: Okay, Houston. The SM/AC Power is on, and the Pan Cameras are coming back to power at this time.
074:02:12 Allen: Roger.
074:02:16 Scott: And we got a barber pole for 2 seconds.
074:02:24 Allen: Roger. As advertised. Thank You, Dave.
074:02:30 Scott: Okay. I guess that's a spot in the clean-up of the P40 that didn't get carried over in the Flight Plan.
074:02:37 Allen: We concur.
074:03:08 Allen: 15, verify Map Camera, Standby, please.
074:03:17 Scott: Stand by. Okay; Mapping Camera going Standby.
074:03:23 Allen: Roger.
074:03:29 Scott: The - the Mapping Camera is in Standby now, but it required a - a change.
074:04:00 Scott: Okay; Houston, 15. I - do you want the Mapping Camera in Standby for the door jett.
074:04:06 Allen: That's affirmative, 15. Map Camera, Standby.
074:04:13 Scott: Okay.
074:04:41 Irwin: Houston, would you like the SM sector AC Power, Off, for the SIM door jettison?
074:04:48 Allen: That's right, Jim. Per the checklist, the first one in step four.
074:04:56 Irwin: Okay. We just wanted to confirm it.
074:04:59 Allen: Roger. Sounds like a good idea. I think we have a bug or two in this procedure.
074:05:23 Allen: Apollo 15, Houston.
074:05:31 Scott: Go ahead, Houston,
074:05:34 Allen: Roger, Dave. We're ready for Pan Camera Power to Boost. On your step 2 there, you are Go for SIM door jettison. And we want you to watch the Fuel Cell Reactant valves after the jettison, per the checklist - just a reminder of that. Over.
074:05:58 Scott: Okay; understand. And we are in boost, and we'll give you a mark when we blow the door.
074:06:07 Allen: Roger. And we will be standing by for a description.
074:06:12 Scott: Roger.
074:06:43 Irwin: Okay, Houston; 15. SIM [bay] door jett. - 3, 2, 1...
074:06:47 Irwin: Mark.
074:06:52 Scott: [I] felt a little shudder, but not too much.
074:08:17 Scott: Okay, Houston. We have negative visual on the SIM door as of yet. And the fuel cells looked okay. The RCS Bravo primary talkback went to barber pole and is reset, and otherwise no reaction in here.
074:08:34 Allen: Roger, Dave. We copy. And we assume you didn't notice any debris of any kind either.
074:08:47 Scott: Nothing in particular, Joe, and Jim's got a visual now.
074:09:18 Scott: Okay, Houston. Jim's got it out of his window, and he's taking pictures, and he says it's slowly tumbling.
074:09:26 Allen: Roger.
074:09:51 Allen: And, 15, just out of interest, we saw a good healthy jolt in our Doppler data down here during jett time.
074:10:02 Scott: Gee, that's very interesting because I would say that the jolt in here was very minor.
074:10:29 Scott: Houston, 15. I guess the consensus would say that the - the shock was about one-tenth of the other pyros we've seen up to this point.
074:10:42 Allen: Roger, Dave. We copy. Can you still see the world's largest lens cap [the SIM bay door] out the window?
074:10:56 Scott: We'll check.
The command module pilot (CMP) reported no evidence of the cause for the mapping camera extend/retract mechanism failure in the extended position and no observable reason for the pan camera velocity/altitude sensor failure. He also reported that the mass spectrometer boom was not fully retracted.
The following transcript has been extracted form the Apollo 15 Technical Air-to-Ground Voice Transcript MSC-04558 via the Apollo 15 Flight Journal, covering the period of Trans-Earth Coast EVA.
241:55:04 Scott: Okay, Houston; 15. We've got a good integrity check on the CMP, and standing by for a Go for depress from...
241:55:23 Worden: Dave, would you turn my [garble] valve, please.
241:55:31 Henize: We copy, 15. And you have a Go for depress.
241:55:37 Scott: Roger.
241:55:38 Worden: Are they vertical now?
241:55:50 Worden: Other side too. Two of 'em.
241:55:52 Scott: Yeah.
241:56:02 Scott: Okay. You guys ready? Okay. Houston, 15. The side hatch dump valve is coming open.
241:56:14 Henize: 15, Houston copies.
241:56:47 Worden: Rog.
241:56:54 Scott: Want to stop there?
241:56:58 Worden: Well, okay. Think it's probably easier than I can.
241:57:37 Scott: Reading 4.0. Go to 'em.
241:58:51 Scott: Yeah, it does.
241:59:21 Worden: Reading 3.8 on mine.
242:00:16 Worden: Roger. Fine.
242:00:35 Scott: Okay.
242:01:38 Worden: Yeah. It makes a difference. It's still flowing into the cabin.
242:01:42 Scott: How can you read me? You read me okay? Good.
242:01:42 Worden: You hear my VOX cut in and out? Good.
242:02:15 Scott: Yeah. Okay. You ready?
242:02:28 Scott: I suspect that SCU is forward enough to keep it there.
242:03:01 Worden: It'll hold. Now.
242:03:12 Worden: It's released. It's in the yellow?
242:03:18 Worden: No. We've missed it.
242:03:20 Scott: Yeah. I can't see it. Jim, can you see the indicator?
242:03:23 Irwin: I can't either, can you?
242:03:27 Scott: Stand by one.
242:03:30 Worden: Roger. [Garble.]
242:03:39 Scott: Houston, 15. We're getting ready to open the hatch. How does everything look to you down there?
242:03:49 Henize: Roger, Al. Everything's looking good to us here.
242:03:53 Worden: ...out, Dave.
242:03:56 Scott: Okay? Unlatch. Unlatch. Ready? Rog.
242:04:19 Worden: No.
242:04:23 Henize: 15, Houston. We don't see the TV camera on yet.
242:04:25 Worden: The hatch is open.
242:04:29 Scott: Huh. Oh, we haven't got it out yet. We'll have it out there in a minute. It should be on though.
242:04:33 Worden: Okay. I got the latch - the handle and latch.
242:04:39 Scott: Roger. Roger.
242:04:46 Worden: Okay.
242:05:09 Worden: Okay. [Garbled.]
242:05:16 Worden: [Garble] zero. Clips.
242:05:32 Worden: Jettison bag is gone. And jettison bag number 2.
242:05:50 Worden: Okay.
242:06:16 Scott: Okay, Houston. You should be getting a picture about now.
242:06:21 Henize: Roger, 15. We're getting a signal.
242:07:04 Worden: Okay.
242:07:12 Worden: Okay. Fine. First thing is that the map - the Mapping Camera is all the way out.
242:07:27 Scott: Okay.
242:07:34 Scott: Okay.
242:07:52 Henize: 15, this is Houston. We're getting a clear picture now, but the aiming of the TV camera is poor. Is it possible to open the hatch wider?
242:08:10 Scott: Yeah, that's what - we're - we're looking at that, too. Stand by one, and we'll do that.
242:08:44 Worden: Yes, I can see the TV is pointed right at the Command Module there. Right at the interface.
242:08:51 Henize: That's affirm.
242:08:57 Scott: Push it back a little there, Jim. Okay.
242:09:11 Henize: That's excellent.
242:09:13 Scott: You should have a picture at a man in space.
242:09:15 Henize: Very good.
242:09:20 Worden: Okay. You ready, Jim? I'll work my way down. Okay, it's reading 4. Okay.
242:09:50 Scott: We'll have your picture back in a minute, Houston. We're turning on the 16-millimeter.
242:09:58 Henize: We copy.
242:09:59 Scott: Yes.
242:10:07 Scott: Okay.
242:10:40 Worden: Okay. I'm in the front restraint.
242:10:45 Henize: Yes, that's good work up there, Al.
242:11:37 Worden: Okay, the Pan Camera cassette is tethered. There's the pip pin.
242:12:32 Scott: Good.
242:13:43 Scott: Get it inside there, if you can, Jim. Get it inside.
242:14:26 Irwin: Okay.
242:14:30 Worden: Rog. Would you like to exchange - would you like to get hold of it? [Laughter.]
242:14:42 Worden: That's the Pan Camera [cassette], right. Okay, Houston. The Pan Camera is safely inside. Over.
242:14:42 Scott: Jim, hold this.
242:14:53 Henize: Beautiful job, Al baby. Remember - remember, there is no hurry up there at all.
242:15:02 Worden: Roger, Karl. I'm enjoying it.
242:15:35 Worden: Okay, Houston. Rest break. We'll take a look at the V over H sensor.
242:15:41 Henize: Very good.
242:15:48 Worden: Uh, hum, I see nothing on the V over H sensor. There's no back - black paint missing. There's nothing obscuring the field of view. The glass is not cracked.
242:16:13 Worden: The shield is not obstructing the field of view. There's nothing in the way, Karl.
242:16:21 Henize: We...
242:16:22 Worden: It's perfectly clear.
242:16:23 Henize: We copy your report, Al. Thank you.
242:16:29 Worden: Okay. And as I look around, the Mass Spec. is - oh, it looks like about - not quite in - the cover. It looks like maybe it's the cover that's jammed. Yes, in fact, it is the cover that's jammed. See?
242:16:57 Henize: Roger, Al. We copy. That was most unexpected news.
242:16:59 Worden: No, I can't tell from here. I can't really - I can't really tell from here, Karl, whether it's the cover or not. I thought the cover was jammed. One corner of the cover is overlapping a - side section of insulation which I wasn't expecting it to. But it doesn't seem to be - it doesn't put any force on it - on the Mass Spec. If I could get around and take a look at it. The Mass Spec. is in the guide pins, and the Mass Spec looks like as it is fully retracted. The Mass Spec. is fully retracted, Karl.
242:17:57 Henize: Roger, Al. We're reading you loud and clear.
242:17:59 Worden: Any - any diffi - any difficulties with the talkback has to be associated with that cover, because the cover is not closed. How far through the slot should the guide pin come on the - on the reel?
242:18:18 Henize: Stand by, Al.
242:18:21 Worden: Okay. 'Cause I can see a guide pin coming through. You do that, and I'll get the map - Mapping Camera.
242:19:39 Worden: Okay, Jim. I'm ready to bring the other one back.
242:20:03 Henize: Hey, Al. It looks like you're running a pass up there. That's beautiful.
242:20:27 Worden: Okay.
242:21:10 Worden: Jim, you look absolutely fantastic against that Moon back there. That is really a most unbelievable, remarkable thing.
242:21:25 Scott: Okay, Houston. The Mapping Camera cassette is inside.
242:21:30 Henize: We copy. [Pause.]
242:21:42 Worden: Houston, is there anything else you want me to check in the SIM bay before we go back in?
242:21:52 Henize: Al, we'd be...
242:21:53 Worden: Is there anything on the Mapping Camera I can check?
242:21:55 Henize: Al, we'd be pleased to have any general comments you had about the SIM bay experiments, otherwise than what we specifically asked you. Did everything look in order?
242:22:05 Worden: Okay. Well, everything looked good, as far as I could tell, all except for the cover on the Mass Spec., and the fact that the Mapping Camera is up. Maybe I could make another quick check back here and see if I can see anything on the Mapping Camera.
242:22:23 Henize: Rog.
242:23:11 Worden: Okay. You ready, you guys?
242:23:16 Scott: All right.
242:23:40 Worden: Oh, just a second. I've got get the mask and get the TV.
242:23:54 Worden: Okay. TV coming in. Got it, Dave? Okay.
242:24:03 Scott: Okay, take your time.
242:24:05 Worden: I - I'm doing fine.
242:24:20 Worden: Okay.
242:24:33 Worden: Hung up - on something.
242:24:58 Scott: Ah, yes, it's about the same place it was when we opened the hatch.
242:25:15 Worden: Okay. Hatch is locked.
242:25:21 Scott: Neutral. Gear box is in latch.
242:25:35 Worden: Can you do it, Dave? Okay.
242:25:40 Henize: 15, Houston. You can turn off the TV anytime you like.
242:25:47 Scott: Let us get depr - pressurized first, Karl.
242:25:52 Irwin: Okay.
210
14.3.1 Panoramic Camera Velocity/Altitude Sensor Erratic
Telemetry received from the first panoramic camera pass on revolution 4 indicated that the velocity/altitude sensor Fig. 14-35 was not operating correctly.
211

The velocity/altitude sensor measures the angular rate of travel of the spacecraft relative to the lunar surface. The sensor output is used to control the cycling rate of the camera, the forward motion compensation, and the exposure. The sensor normally operates in the range of 45 to 80 miles altitude. If, at any time, the indicated velocity/altitude is out of this range, the sensor automatically resets to the nominal value of 60 miles. The sensor operated properly for brief periods of time, but would drift off-scale high (saturate), and then reset to the nominal value corresponding to a 60-mile altitude.
212
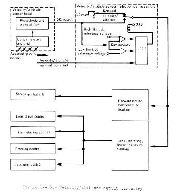
Breadboard tests and circuit analyses of the velocity/altitude electronics (Fig. 14-36) did not indicate failure. Tests were conducted in which endless belts of lunar scene photography from Apollo 8 and 15 were passed in front of velocity/altitude sensors. Sensors from the prototype and qualification units, and flight unit number 1 were used. By varying the illumination level, sensor performance somewhat similar to the Apollo 15 anomaly could be obtained.

The results of the tests, coupled with analyses of the basic sensor design, indicate that the problem is related to the optical signal-to-noise ratio. The remaining flight hardware will be modified to improve this ratio. The optical signal will be enhanced by increasing the lens aperture from f/4.0 to f/3.5 and by deleting the infrared filter. The optical noise (reflections) will be reduced by increasing the length of the lens hood and by repositioning the sensor so that the camera's forward plume shield will not be in the field of view of the sensor. In addition, a manual override of the velocity/altitude sensor will be provided on the remaining flight units. By using a three-position switch, two pre-selected velocity/altitude ratios will be provided, as well as the automatic function.
This anomaly is closed.
213
14.3.2 Loss of Laser Altimeter Altitude Data
The laser altimeter exhibited two anomalous conditions during the mission:
a) Altitude data became intermittent after revolution 24 as the result of a decrease in the laser output power.
b) Beginning with revolution 38, the photomultiplier tube high-voltage power supply was held in the idling (minimum-voltage level) mode until after the laser fired, thereby causing the receiver to miss the return pulse from the lunar surface (Fig. 14-37). No altitude data were obtained after this anomaly occurred.

The photomultiplier tube power supply anomaly was duplicated when a relay which had been removed from a flight unit because it had an audible "buzz" was installed in the prototype altimeter. The relay serves no function in flight, but is a safety precaution for ground personnel working on the altimeter (Fig. 14-38). The relay contacts close when the altimeter is turned off, discharging the high voltage stored in the pulse forming network capacitors.
214

It is suspected that the audible "buzz" is accompanied by electromagnetic interference that is coupled into the video amplifier in the laser receiver (Fig. 14-39). The video amplifier is a principal element in the automatic gain control circuit which controls the output of the photomultiplier tube power supply. The electromagnetic interference from the relay can thereby result in the automatic gain control holding the power supply in the idling mode until the pulse forming network is discharged in firing the laser. The relay and resistors that comprise the bleed-down circuit will be removed from the remaining flight altimeters.
215

The cause of the low output power anomaly has not been isolated. A review of the manufacturing records has established that the flight unit was the same as the qualification unit with regard to parts, processes, and manufacturing methods. Investigations indicate that the fault most likely occurred in the laser module. An automatic power compensation circuit will be incorporated into the remaining flight units. The circuit will increase the pulse forming network voltage by about 50 volts each time the laser power falls below an established threshold value as sensed by a photodiode. Design feasibility tests have been completed on a breadboard circuit. The results show that the circuit will maintain the power output at a level sufficient to provide proper ranging.
This anomaly is closed.
14.3.3 Slow Deployment Of Mapping Camera
The extension and retraction times of the deployment mechanism subsequent to the first extend/retract cycle were two to three times longer than the pre-flight nominal time of approximately 1 minute, 20 seconds. Also, the camera could not be fully retracted after the final deployment. During the trans-Earth extravehicular activity, an inspection of the mapping camera and associated equipment showed no evidence of dragging or interference between the camera and the spacecraft structure, the camera covers, or the cabling.
The first extend and retract cycle times were 1 minute, 20 seconds and 1 minute, 17 seconds respectively. The second retraction required 2 minutes, 30 seconds and the third retraction and fourth extension required slightly more than 4 minutes. The second and third extensions occurred while the telemetry system was in the low-bit-rate mode; therefore, these deployment times are not obtainable. Subsequent extensions and retractions required 2 to 4 minutes.
Load tests show that a restraining force of 250 pounds would increase the deployment time to 1 minute, 45 seconds. With one of the two extend/retract mechanism motors operating, the 250-pound restraint would increase the deployment time to 2 minutes, 25 seconds.
Voltage tests show that 12 volts to the motors (28 volts dc nominal rating) would result in deployment times of approximately 4 minutes. Had this occurred during the mission, however, the indicator which shows that power is applied to the motors would have displayed a partial barberpole during deployment operations. The barberpole indicator is connected in parallel with the motors and, since the position is voltage-dependent, it can be used to approximate the voltage levels to the motors. During the flight, a full barberpole indication was always observed.
Apparently, the problem first occurred sometime between the first and second retractions. During this period, a 4-second service propulsion system firing was performed for lunar orbit circularization. An evaluation of vibration test data indicates, however, that the circularization firing was probably not a factor in the anomaly. An investigation is being made to determine if there is mechanical interference between the camera and the reaction control system plume protection covers.
This anomaly is open.
Apollo 15 Mission Report - NASA MSC-05161, December 1971
Apollo by Numbers - NASA SP-2000-4029, Spring 2001
Apollo 15 Technical Air-to-Ground Voice Transcript - NASA MSC-04558, July 1971
Apollo 15 CM Software - Delco Electronics, 1971

|
|
|
|
|
Apollo 17 Photographic Task Requirements |
Return to SIM Bay Cameras |
Apollo 16 Statistics and Performance |