Apollo 14 Lunar Surface Journal Banner

 

Journal Home Page Apollo 14 Journal

 

Apollo 14 Lunar Surface Checklist

Last revised 26 May 2015.
We currently have scanned copies of three generations of the Apollo 14 Lunar Surface Checklist -
1 August 1970 Draft, 16 November 1970 Revision A, and what appears to be the flown version, dated 20 January 1971. We also have scanned photos of pages from Al Shepard's flown checklist as displayed at the Astronaut Hall of Fame, Titusville, Florida. These are interleaved with the scanned pages from Revision A.

Page i (among others) in the Flown version and Revision A imply there is a "Basic" version with a 15 September 1970 date.

 

Apollo 14 LM Lunar Surface Checklist : 20 January 1971

Presumed to be identical to the flown version.

PDF document (4.8Mb PDF) produced by Lennie Waugh and David Woods
from a microfilm copy provided by Kent Carter of the U.S. National Archives.

Reformated PDF document (1 Mb) prepared by Thomas Schwagmeier.

 

Apollo 14 Surface Checklist Revision A : November 16, 1970

Scanned by Eric Jones.
Title Page ( 65k )

Signature Page ( 122k )

Acknowledgements ( 89k )

Page i - List of Effective Pages ( 111k )

Page ii - List of Effective Pages (continued) ( 107k )

Page iii - Contents ( 92k )

Page a - Flight Plan Timeline ( 131k )

Page b - Flight Plan Timeline (continued) ( 129k )

Page 1-1 - First Rev Activity, Cabin Configuration, Doff Helmets and Gloves ( 121k )

Page 1-2 - IMU Gravity Align ( 97k )

Page 1-3 - IMU Stellar Align (cont.) ( 79k )

Page 1-4 - IMU Stellar Align (cont.) ( 77k )

Page 1-5 - IMU Stellar Align (cont.) ( 79k )

Page 1-6 - IMU Stellar Align (cont.) ( 81k )

Page 1-7 - Complete IMU Align, Uplink Data, P22 Time Update ( 90k )

Page 1-8 - Partial Power Down Panel 11 ( 130k or 613k )

Page 1-9 - Partial Power Down Panel 16 ( 110k or 531k )

Page 1-10 - Powerdown Switch Configuration ( 127k )

Page 1-11 - Powerdown Switch Configuration ( 133k )

Page 1-12 - Powerdown Switch Configuration, Unstow Lunar Maps, Configure Cameras ( 136k )

Page 1-13 - Description and photography of lunar surface ( 134k )

Page 1-14 - Description and photography of lunar surface ( 127k )

Page 1-15 - Description and photography of lunar surface ( 147k )

Page 1-16 - Description and photography of lunar surface ( 129k )

Page 1-17 - Description and photography of lunar surface, Consumables update ( 104k )

Page 1-18 - CSM Tracking ( 79k )

Page 1-19 - Powerdown and EVA Configuration, Panel 11 ( 137k )

Page 1-20 - Intentionally Blank Page ( 41k )

Page 1-21 - Powerdown and EVA Configuration, Panel 16 ( 128k )

Page 1-22 - Intentionally Blank Page ( 44k )

Page 1-23 - Ascent time updates, crew status reports ( 62k )

Page 2-1 - Cabin prep EVA-1 ( 59k )

Page 2-2 - Intentionally Blank Page ( 15k )

Page 2-3 - Transition to one-man EVA ( 151k )

Page 2-4 - LM Repress failure procedures ( 136k )

Page 2-5 - Equipment prep EVA-1 ( 175k )

Page 2-6 - Equipment prep EVA-1, LMP PLSS donning ( 149k )

Page 2-7 - CDR PLSS donning, PLSS communications check ( 137k )

Page 2-8 - PLSS communications check, Final systems prep ( 142k )

Page 2-9 - OPS Connect, Helmet/Glove donning ( 153k )

Page 2-10 - Pressure integrity check, Cabin depress, Final prep for egress ( 145k )

Page 3-1 - LMP CDR Checklists: PLSS to LM H2O Transfer ( 119k )

Page 3-2 - LMP Checklist: 0+10 Assist CDR Egress, Monitor CDR Activities; CDR Checklist: 0+10 Egress, Familiarization, MET Offload ( 120k )

Page 3-3 - LMP Checklist: 0+18 Egress, CSRC, SWCl; CDR Checklist: 0+26 TV, S-Band ( 120k )

Page 3-4 - LMP Checklist: SWC, LRRR, Ingress; CDR Checklist: 0+49 ETB Transfer, Site Description( 107k )

Page 3-5 - LMP Checklist: ETB Transfer, Egress ( 85k )

Page 3-6 - LMP Checklist: 1+00 Flag, TV, TV Pan, Site Survey; CDR Checklist: 1+00 Flag, Site Inspection, Pans ( 131k )

Page 3-7 - LMP/CDR Checklists: 1+15 MET Deploy, ALSEP Offload ( 114k )

Page 3-8 - LMP Checklist: 1+27 RTG Fuel, MET Load; CDR Checklist: 1+30 RTG Fuel, MET Load ( 144k )

Page 3-9 - LMP Checklist: ALSEP Layout Sketch; CDR Checklist MET Equipment List ( 113k )

Page 3-10 - LMP Checklist: 1+44 ALSEP Traverse, RTG, Thumper/Geophone; CDR Checklist: 1+44 Traverse and ALSEP Deploy ( 132k )

Page 3-11 - LMP Checklist: 2+15 Mortar Package, CPLEE, SIDE; CDR Checklist: 2+06 PSE, Sunshield, ALSEP Antenna ( 136k )

Page 3-12 - LMP Checklist: Thumper/Geophone Deploy and Activate; CDR Checklist: 2+24 Central Station Antenna, Switch, PSE ( 131k )

Page 3-13 - CDR Checklist: 2+42 LRRR, ALSEP Photos ( 73k )

Page 3-14 - CDR Checklist ALSEP Photography Diagram ( 104k )

Page 3-15 - LMP Checklist: 3+20 Activate Mortar Package, Return traverse; CDR Checklist: 2+55 Sampling, Return Traverse, Closeout ( 129k )

Page 3-16 - LMP Checklist: 3+45 EVA Closeout, Stowage lists; CDR Checklist: SRC and ETB Stowage ( 123k )

Page 3-17 - LMP Checklist: 4+00 EVA Termination, ETB Transfer; CDR Checklist: 4+00 EVA Closeout and Termination ( 121k )

Page 4-1 - Post EVA-1, Post EVA Systems Configuration ( 160k )

Page 4-2 - PLSS Recharge, PLSS/OPS Doffing ( 139k )

Page 4-3 - PLSS/OPS Doffing, Post EVA Cabin Configuration ( 154k )

Page 4-4 - Post EVA Cabin Configuration, Eat period, PLSS Feedwater Collection ( 140k )

Page 4-5 - PLSS O2 and H2O Recharge, EVA Debriefing with Houston ( 117k )

Page 4-6 - Configure Sleep Stations and Stowage ( 164k )

Page 4-7 - Rest, Consumables Update ( 114k )

Page 4-8 - IMU Alignment ( 84k )

Page 4-9 - IMU Alignment (cont.) ( 78k )

Page 4-10 - IMU Alignment, EVA-2 Planning with Houston ( 82k )

Page 5-1 - Cabin Prep for EVA-2 ( 62k )

Page 5-2 - Equipment Prep for EVA-2, LMP PLSS Donning ( 134k )

Page 5-3 - CDR PLSS Donning, PLSS Comm Check ( 134k )

Page 5-4 - PLSS Comm Check, Final Systems Prep ( 160k )

Page 5-5 - OPS Connect, Helmet/Glove Donning ( 149k )

Page 5-6 Pressure Integrity Check, Cabin Depress, Final Prep for Egress ( 137k )

Page 5-7 - Final Prep for Egress after Hatch opening ( 62k )

Page 6-1 - CDR/LMP Checklists: Distance Estimation ( 119k )

Page 6-2 - LMP Checklist: 0+10 ETB Transfer; CDR Checklist: 0+10 Egress, Fam, MET Load ( 116k )

Page 6-3 - LMP Checklist: 0+21 MET Load, LPM; CDR Checklist: 0+26 MET Stowage Check ( 144k )

Page 6-4 - LMP Checklist: 0+35 LPM, Begin Traverse; CDR Checklist: 0+30 Traverse ( 118k )

Page 6-5 - CDR Checklist: Station A ( 89k )

Page 6-6 - CDR Checklist: Station A (cont.) and Station B ( 66k )

Page 6-7 - LMP/CDR Checklists: Cone Crater ( 145k )

Page 6-8 - LMP/CDR Checklists: Stations D and E ( 141k )

Page 6-9 - LMP/CDR Checklists: Station F and G ( 105k )

Page 6-10 - LMP Checklist: Core Sample Documentation Diagram; CDR Checklist: General Traverse Info ( 115k )

Page 6-11 - LMP Checklist: Polarimetric Survey (Close-up) Diagram; CDR Checklist: Core Sample Documentation Diagram ( 113k )

Page 6-12 - - LMP/CDR Checklists: Single Sample Documentation Diagram ( 115k )

Page 6-13 - LMP/CDR Checklists: Trench Digging and Documentation Diagram ( 131k )

Page 6-14 - LMP/CDR Checklists: Trench Sampling and Documentation Diagram ( 152k )

Page 6-15 - CDR Checklist: Polarimetric Survey (Close-up) Diagram ( 88k )

Page 6-16 - LMP/CDR Checklists: 3+34 Contamination Sample, Closeout ( 138k )

Page 6-17 - LMP Checklist: ETB & SRC Stwoage Check; CDR Checklist: SRC Close, ETB Stowage ( 113k )

Page 6-18 - LMP Checklist: EVA Termination; CDR Checklist: 3+58 Equipment transfer, Ingress ( 117k )

Page 6-19 - Cuff Checklists: EMU Malfunctions 1, 2 ( 78k )

Page 6-20 - Cuff Checklist: EMU Malfunctions 3, 4, 5 ( 151k )

Page 6-21 - Cuff Checklist: EMU Malfunctions 6, 7, 8, 9 ( 131k )

Page 6-22 - Cuff Checklist: EMU Malfunctions 10 and 11; BSLSS Don and Activate ( 134k )

Page 6-23 - Cuff Checklist: BSLSS Doff ( 65k )

Page 7-1 - Post EVA-2, Post EVA Systems Configuration ( 162k )

Page 7-2 - Post EVA-2, PLSS/OPS Doffing ( 136k )

Page 7-3 - Prep for Equipment Jettison, Pressure Integrity Check, Cabin Depress ( 153k )

Page 7-4 - Hatch Opening, Equipment Jettison, Cabin Repress ( 142k )

Page 7-5 - Post EVA Cabin Cleanup, EVA-2 Debriefing with Houston ( 139k )

Page 7-6 - Consumables Update ( 71k )

Page 8-1 - Launch Prep, Lift-off - 1:15 ( 68k )

Page 8-2 - Power Up Circuit Breaker Configuration Panel 11 ( 119k )

Page 8-3 - Power Up Circuit Breaker Configuration Panel 16 ( 110k )

Page 8-4 - Lift-off Switch Configurations Rendezvous Radar Checkout, AGS Initialization ( 124k )

Page 8-5 - Lift-off Switch Configurations Rendezvous Radar Checkout, AGS Checkout ( 126k )

Page 8-6 - Lift-off - 0:55 Rate Gyro Check, 0:50 RCS Hot Fire Checks ( 95k )

Page 8-7 - Lift-off - 0:50 RCS Hot Fire Checks (cont.) ( 99k )

Page 8-8 - Lift-off - 0:45 IMU Gravity Alignment ( 80k )

Page 8-9 - IMU Star Alignment ( 94k )

Page 8-10 - Lift-off - 0:35 Computer Updates ( 103k )

Page 8-11 - Lift-off - 0:30 Switch Configuration ( 99k )

Page 8-12 Lift-off - 0:30 Switch Configuration (con't), Don Helmets and Gloves ( 101k )

Page 8-13 - Lift-off - 0:30 Switch Configuration (con't) ( 117k )

Page 8-14 - RCS Configuration, Lift-off - 0:17 Communications Configuration ( 91k )

Page 8-15 Lift-off - 0:15 Descent Battery Deadfacing ( 69k )

Page 8-16 - Lift-off Circuit Breaker Configuration, Panel 11 ( 126k )

Page 8-17 - Lift-off Circuit Breaker Configuration, Panel 16 ( 110k )

Page 8-18 - Lift-off - 0:05 ( 58k )

Page 9-1 - One Man EVA Prep, PLSS Dnning and Comm Check ( 134k )

Page 9-2 - One Man EVA, PLSS Comm Check, Final Systems Prep, OPS Connect ( 129k )

Page 9-3 - One Man EVA, Helmet/Glove Donning ( 131k )

Page 9-4 - One Man EVA, Pressure Integrity Check, Cabin Depress ( 166k )

Page 9-5 - One Man EVA, Final Prep for Egress ( 91k )

Page 10-1 - One-hour One Man EVA to 0:20 ( 89k )

Page 10-2 - One-hour One Man EVA to 0:30 ( 66k )

Page 10-3 - One-hour One Man EVA to 0:40 ( 62k )

Page 10-4 - One-hour One Man EVA to 0:50 ( 75k )

Page 11-1 - Four-hour One Man EVA-1 from 0:10 ( 81k )

Page 11-2 - Four-hour One Man EVA-1 from 0:20 ( 71k )

Page 11-3 - Four-hour One Man EVA-1 from 0:30 ( 92k )

Page 11-4 - Four-hour One Man EVA-1 from 0:40 ( 99k )

Page 11-5 - Four-hour One Man EVA-1 from 1:00 ( 85k )

Page 11-6 - Four-hour One Man EVA-1 from 1:20 ( 88k )

Page 11-7 - Four-hour One Man EVA-1 from 1:40 ( 125k )

Page 11-8 - Four-hour One Man EVA-1 from 2:00 ( 114k )

Page 11-9 - Four-hour One Man EVA-1 from 2:20 ( 115k )

Page 11-10 - Four-hour One Man EVA-1 from 2:40 ( 100k )

Page 11-11 - Four-hour One Man EVA-1 from 3:00 ( 96k )

Page 11-12 - Four-hour One Man EVA-1 from 3:20 ( 101k )

Page 11-13 - Four-hour One Man EVA-1 from 3:40 ( 105k )

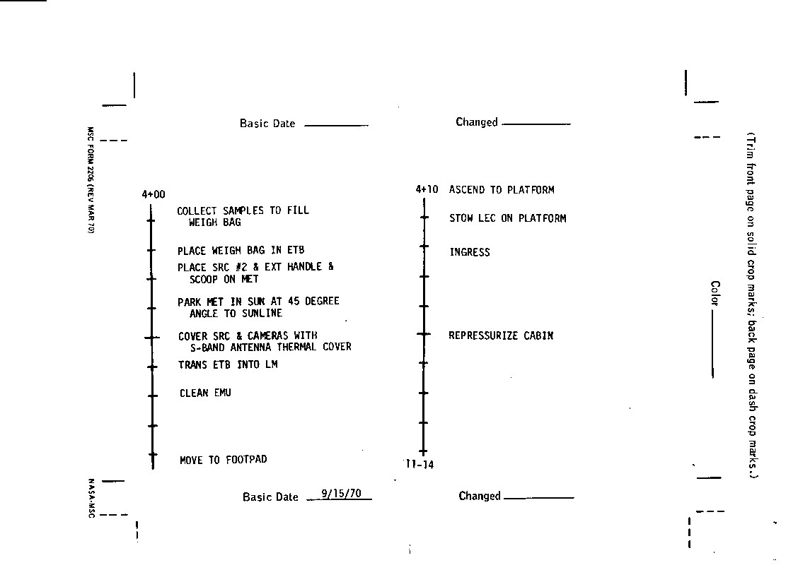
Page 11-14 - Four-hour One Man EVA-1 from 4:00 ( 84k )

Page 12-1 - Four-hour One Man EVA-2 from 0:10 ( 101k )

Page 12-2 - Four-hour One Man EVA-2 from 0:20 ( 104k )

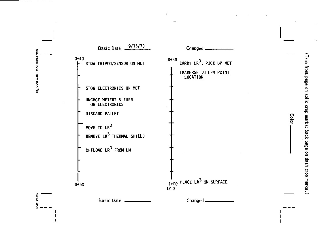
Page 12-3 - Four-hour One Man EVA-2 from 0:40 ( 76k )

Page 12-4 - Four-hour One Man EVA-2 from 1:00 ( 116k )

Page 12-5 - Four-hour One Man EVA-2 from 1:20 ( 96k )

Page 12-6 - Four-hour One Man EVA-2 from 1:40 ( 86k )

Page 12-7 - Four-hour One Man EVA-2 from 3:25 ( 119k )

Page 12-8 - Four-hour One Man EVA-2 from 3:45 ( 90k )

Page 12-9 - Four-hour One Man EVA-2 from 4:05 ( 86k )

Page 13-1 - Post One-Man EVA ( 42k )

Page 13-2 - Post One-Man EVA ( 13k )

Page 14-1 Emergency Launch Stowage Before EVA-1 ( 132k )

Page 14-2 - Emergency Launch Stowage Before EVA-2 ( 155k )

Page 14-3 - Emergency Launch Stowage Before Equipment Jettison ( 150k )

Page 15-1 - Emergency Lift-off ( 90k )

Page 15-2 - Emergency Lift-off Circuit Breaker Configuration Panel 11 ( 120k )

Page 15-3 - Emergency Lift-off Circuit Breaker Configuration Panel 16 ( 110k )

Page 15-4 - Emergency Lift-off, PGNS Alignment ( 78k )

Page 15-5 - Emergency Lift-off, AGS Initialization, RCS Hot Fire ( 86k )

Page 15-6 - Emergency Lift-off, Computer Updates ( 77k )

Page 15-7 - Emergency Lift-off, Switch Configurations ( 100k )

Page 16-1 - Manual Ascent ( 97k )

Page 16-2 - Manual Ascent (con't) ( 55k )

 

Apollo 14 Surface Checklist (Draft) : August 1, 1970

Scanned by Frank O'Brien.

 

Title Page ( 91k )

Signature Page ( 55k )

Page iii - Contents ( ( 37k )

Page a - Flight Plan Timeline ( 71k )

Page b - Flight Plan Timeline ( 65k )

Page 1-1 - First Rev Activity (PDI +20) ( 69k )

Page 1-2 - First Rev Activity ( 52k )

Page 1-3 - PDI + :45 ( 33k )

Page 1-4 - PDI + :45 ( 36k )

Page 1-5 - PDI + 1:00 ( 33k )

Page 1-6 - PDI + 1:00 ( 40k )

Page 1-7 - PDI + 1:15 ( 38k )

Page 1-8 - Partial Power Down Panel 11 ( 58k )

Page 1-9 - Partial Power Down Panel 16 ( 49k )

Page 1-10 - Powerdown Switch Configuration ( 65k )

Page 1-11 - Powerdown Switch Configuration ( 71k )

Page 1-12 - Powerdown Switch Configuration ( 69k )

Page 1-13 - Description and photography of lunar surface ( 72k )

Page 1-14 - Description and photography of lunar surface ( 68k )

Page 1-15 - Description and photography of lunar surface ( 82k )

Page 1-16 - Description and photography of lunar surface ( 70k )

Page 1-17 - Description and photography of lunar surface, Consumables update ( 49k )

Page 1-18 - CSM Tracking ( 36k )

Page 1-19 - Powerdown and EVA Configuration, Panel 11 ( 71k )

Page 1-20 - Powerdown and EVA Configuration, Panel 16 ( 61k )

Page 1-21 - Ascent time updates, crew status reports ( 29k )

Page 2-1 - Cabin prep EVA-1 ( 33k )

Page 2-3 - Transition to one-man EVA ( 82k )

Page 2-4 - LM Repress failure procedures ( 74k )

Page 2-5 - Equipment prep EVA-1 ( 92k )

Page 2-6 - Equipment prep EVA-1, LMP PLSS donning ( 85k )

Page 2-7 - CDR PLSS donning, PLSS communications check ( 72k )

Page 2-8 - PLSS communications check, OPS connect ( 84k )

Page 2-9 - Helmet/Glove donning ( 78k )

Page 2-10 - Pressure integrity check, Cabin depress, Final prep for egress ( 82k )

Page 3-1 - CDR Cuff Checklist to 0+22: Egress, Familiarization ( 73k )

Page 3-2 - CDR Cuff Checklist to 1+06: Erect TV, Deploy S-band antenna ( 71k )

Page 3-3 CDR Cuff Checklist to 1+35: Plant Flag, Inspect LM, Deploy MET( 71k )

Page 3-4 CDR Cuff Checklist to 1+49: Load MET( 74k )

Page 3-5 - CDR Cuff Checklist to 2+34: Deploy ALSEP( 77k )

Page 3-6 - CDR Cuff Checklist to 2+57: Deploy ALSEP ( 65k )

Page 3-7 - CDR Cuff Checklist to 2+57: Photograph ALSEP ( 52k )

Page 3-8 - CDR Cuff Checklist to 4+15: Sample Collection, EVA Closeout, Ingress ( 69k )

Page 3-9 - LMP Cuff Checklist to 0+28: Assist CDR, Photograph CDR ( 69k )

Page 3-10 - LMP Cuff Checklist to 1+00: Transfer equipment to surface, Egress ( 67k )

Page 3-11 - LMP Cuff Checklist to 1+31: Plant Flag, Unload ALSEP ( 64k )

Page 3-12 - LMP Cuff Checklist to 2+25: Fuel RTG, Load MET, Carry ALSEP to site, ( 81k )

Page 3-13 - LMP Cuff Checklist to 2+46: Deploy ALSEP ( 75k )

Page 3-14 - LMP Cuff Checklist to 4:00: Thumper, Collect samples, Ingress ( 78k )

Page 3-15 - LMP Cuff Checklist to 4+15: Load equipment/samples, Close hatch, Repressurize ( 35k )

Page 4-1 - Post EVA-1, Post EVA Systems Configuration ( 90k )

Page 4-2 - PLSS Recharge, PLSS/OPS Doffing ( 69k )

Page 4-3 - PLSS/OPS Doffing, Post EVA Cabin Configuration ( 88k )

Page 4-4 - Post EVA Cabin Configuration, PLSS Feedwater Collection ( 71k )

Page 4-5 - PLSS O2 and H2O Recharge, EVA Debriefing with Houston ( 80k )

Page 4-6 - Configure Sleep Stations and Stowage ( 73k )

Page 4-7 - Rest, Consumables Update ( 63k )

Page 4-8 - IMU Alignment ( 40k )

Page 4-9 - IMU Alignment ( 39k )

Page 4-10 - IMU Alignment, EVA-2 Planning with Houston ( 42k )

Page 5-1 - Cabin Prep for EVA-2 ( 27k )

Page 5-2 - Equipment Prep for EVA-2 ( 78k )

Page 5-3 - CDR PLSS Donning, PLSS Comm Check ( 68k )

Page 5-4 - PLSS Comm Check, Final Systems Prep ( 85k )

Page 5-5 - OPS Connect, Helmet/Glove Donning ( 82k )

Page 5-6 Pressure Integrity Check, Cabin Depress ( 76k )

Page 5-7 - Final Prep for Egress ( 37k )

Page 6-1 - CDR/LMP Cuff Checklist: Distance estimation ( 47k )

Page 6-2 - CDR Cuff Checklist to 0+26: Egress, Load MET ( 70k )

Page 6-3 - CDR Cuff Checklist to 0+55:Close-up Camera, TDS Sampling ( 68k )

Page 6-4 - CDR Cuff Checklist: General traverse info, Special objectives, Special Photos ( 62k )

Page 6-5 - CDR Cuff Checklist Core sampling/Single sampling documentation photography settings ( 54k )

Page 6-6 - CDR Cuff Checklist: Polarimetric Survey, Distant/Close-up documentation photography settings ( 63k )

Page 6-7 - CDR Cuff Checklist: Colorimetric Survey, Distant/Close-up documentation photography settings ( 71k )

Page 6-8 - CDR Cuff Checklist: Trench Digging/Sampling Documentation photography settings ( 77k )

Page 6-9 - CDR Cuff Checklist to 4+15 Contaminated sample, EVA Closeout, Ingress, Repress ( 74k )

Page 6-10 - LMP Cuff Checklist: ETB Transfer, Egress, Load MET ( 70k )

Page 6-11 - LMP Cuff Checklist to 0+55: Point Photography (?), Traverse Photography ( 81k )

Page 6-12 - LMP Cuff Checklist: General Traverse Photography ( 32k )

Page 6-13 - LMP Cuff Checklist Core sampling/Single sampling documentation photography settings ( 52k )

Page 6-14 - LMP Cuff Checklist: Polarimetric Survey, Distant/Close-up documentation photography settings ( 56k )

Page 6-15 - LMP Cuff Checklist: Colorimetric Survey, Distant/Close-up documentation photography settings ( 68k )

Page 6-16 - LMP Cuff Checklist: Trench Digging/Sampling Documentation photography settings ( 76k )

Page 6-17 - LMP Cuff Checklist: Calibration measurement, Traverse measurement ( 52k )

Page 6-18 - LMP Cuff Checklist to 4+15: Contaminated sample, EVA Closeout, Ingress, Repress ( 68k )

Page 6-19 - LMP Cuff Checklist: EMU Malfunctions ( 89k )

Page 6-20 - LMP Cuff Checklist: EMU Malfunctions (con't) ( 90k )

Page 6-21 - LMP Cuff Checklist: EMU Malfunctions (con't) ( 42k )

Page 6-22 - LMP Cuff Checklist: BSLSS Procedures ( 66k )

Page 7-1 - Post EVA-2, Post EVA Systems Configuration ( 81k )

Page 7-2 - Post EVA-2, PLSS/OPS Doffing ( 81k )

Page 7-3 - Prep for Equipment Jettison, Pressure Integrity Check, Cabin Depress ( 85k )

Page 7-4 - Hatch Opening, Equipment Jettison, Cabin Repress ( 67k )

Page 7-5 - Post EVA Cabin Cleanup, EVA-2 Debriefing with Houston ( 74k )

Page 7-6 - Consumables Update ( 40k )

Page 8-1 - Launch Prep, Lift-off - 1:15 ( 42k )

Page 8-2 - Power Up Circuit Breaker Configuration Panel 11 ( 70k )

Page 8-3 - Power Up Circuit Breaker Configuration Panel 16 ( 63k )

Page 8-4 - Lift-off Switch Configurations Rendezvous Radar Checkout, AGS Initialization ( 62k )

Page 8-5 - Lift-off Switch Configurations Rendezvous Radar Checkout, AGS Checkout ( 69k )

Page 8-6 - Lift-off - 0:55, Rate Gyro Check ( 53k )

Page 8-7 - Lift-off - 0:50 RCS Hot Fire Checks ( 56k )

Page 8-8 - Lift-off - 0:45 IMU Gravity Alignment ( 38k )

Page 8-9 - IMU Gravity Alignment (con't) ( 53k )

Page 8-10 - Lift-off - 0:35 Computer Updates ( 57k )

Page 8-11 - Lift-off - 0:30 Switch Configuration ( 49k )

Page 8-12 Lift-off - 0:30 Switch Configuration (con't) ( 49k )

Page 8-13 - Lift-off - 0:30 Switch Configuration (con't) ( 44k )

Page 8-14 - Lift-off - 0:17 Donn Helmet, Gloves, Communications Configuration ( 49k )

Page 8-15 Lift-off - 0:15 Descent Battery Deadfacing ( 35k )

Page 8-16 - Lift-off Circuit Breaker Configuration, Panel 11 ( 66k )

Page 8-17 - Lift-off Circuit Breaker Configuration, Panel 16 ( 56k )

Page 8-18 - Lift-off - 0:05 ( 28k )

Page 9-1 - One Man EVA Prep, PLSS Comm Check ( 71k )

Page 9-2 - One Man EVA, PLSS Comm Check, Final Systems Prep, OPS Connect ( 77k )

Page 9-3 - One Man EVA, Helmet/Glove Donning ( 69k )

Page 9-4 - One Man EVA, Pressure Integrity Check, Cabin Depress ( 91k )

Page 9-5 - One Man EVA, Final Prep for Egress, Egress ( 46k )

Page 10-1 - One Man EVA Minimum Time to 0:20 ( 51k )

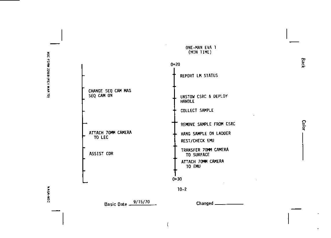
Page 10-2 - One Man EVA, Minimum Time to 0:30 ( 39k )

Page 10-3 - One Man EVA, Minimum Time to 0:40 ( 28k )

Page 10-4 - One Man EVA, Minimum Time to 0:50 ( 37k )

Page 11-1 - One Man EVA-1, Full Time from 0:10 ( 43k )

Page 11-2 - One Man EVA-1, Full Time, from 0:20 ( 35k )

Page 11-3 - One Man EVA-1, Full Time, from 0:30 ( 46k )

Page 11-4 - One Man EVA-1, Full Time, from 0:40 ( 50k )

Page 11-5 - One Man EVA-1, Full Time, from 1:00 ( 45k )

Page 11-6 - One Man EVA-1, Full Time, from 1:20 ( 49k )

Page 11-7 - One Man EVA-1, Full Time, from 1:40 ( 71k )

Page 11-8 - One Man EVA-1, Full Time, from 2:00 ( 63k )

Page 11-9 - One Man EVA-1, Full Time, from 2:20 ( 63k )

Page 11-10 - One Man EVA-1, Full Time, from 2:40 ( 48k )

Page 11-11 - One Man EVA-1, Full Time, from 3:00 ( 48k )

Page 11-12 - One Man EVA-1, Full Time, from 3:20 ( 55k )

Page 11-13 - One Man EVA-1, Full Time, from 3:40 ( 55k )

Page 11-14 - One Man EVA-1, Full Time, from 4:00 ( 42k )

Page 12-1 - One Man EVA-2, Full Time, from 0:10 ( 54k )

Page 12-2 - One Man EVA-2, Full Time, from 0:20 ( 60k )

Page 12-3 - One Man EVA-2, Full Time, from 0:40 ( 35k )

Page 12-4 - One Man EVA-2, Full Time, from 1:00 ( 56k )

Page 12-5 - One Man EVA-2, Full Time, from 1:20 ( 51k )

Page 12-6 - One Man EVA-2, Full Time, from 1:40 ( 52k )

Page 12-7 - One Man EVA-2, Full Time, from 3:25 ( 58k )

Page 12-8 - One Man EVA-2, Full Time, from 3:45 ( 54k )

Page 12-9 - One Man EVA-2, Full Time, from 4:05 ( 40k )

Page 13-1 - Post One-Man EVA ( 21k )

Page 14-1 Emergency Launch Stowage Before EVA-1 ( 52k )

Page 14-2 - Emergency Launch Stowage Before EVA-2 ( 55k )

Page 14-3 - Emergency Launch Stowage Before Equipment Jettison ( 54k )

Page 15-1 - Emergency Lift-off ( 48k )

Page 15-2 - Emergency Lift-off Circuit Breaker Configuration Panel 11 ( 63k )

Page 15-3 - Emergency Lift-off Circuit Breaker Configuration Panel 16 ( 57k )

Page 15-4 - Emergency Lift-off, PGNS Alignment ( 41k )

Page 15-5 - Emergency Lift-off, AGS Initialization ( 42k )

Page 15-6 - Emergency Lift-off, Computer Updates ( 38k )

Page 15-7 - Emergency Lift-off, Switch Configuration ( 50k )

Page 16-1 - Manual Ascent ( 54k )

Page 16-2 - Manual Ascent (con't) ( 24k )

 

Journal Home Page Apollo 14 Journal