Apollo Lunar Surface Journal Banner

 

Apollo Lunar Geological Exploration Camera (LGEC)
also called the Lunar Stereographic Camera
or Apollo Stereometric Camera
Copyright 2006 by Karl D. Dodenhoff

I became interested in this camera system when I first saw it in two photographs of the Apollo 14 crew during EVA training.  These two photographs, namely AP14-70-H-1305 and AP14-S70-46157, shown below (cropped), show Commander Alan Sheppard with the camera mounted to the Remote Control Unit on his EMU. where one would normally expect to see a Hasselblad ELP camera.

Closeup from 
AP14-70-H-1305. 
See my diagram 
based on this 
photo below.
Detail from 
AP14-S70-46157, 
showing the camera 
mounted on 
Sheppard's RCU.
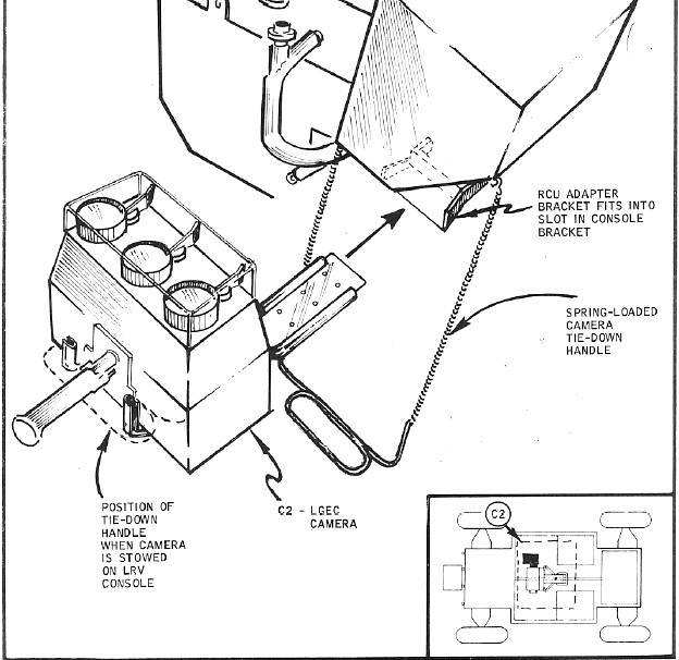
Diagram from LRV 
manual, showing 
how the LGEC 
would have been 
mounted to the 
center console.
Until recently, I was able to turn up very little information on this system on the internet.  The only other image I was able to find of it was a diagram from an early Lunar Roving Vehicle stowage document written by GE Apollo Systems titled "Lunar Roving Vehicle Crew Equipment Stowage Methods and Location", dated June 5, 1970.
After a lot of digging around, I came across a document written by the U.S. Geological Survey titled "The U.S. Geological Survey, Branch of Astrogeology: A Chronology of Activities from Conception through the End of Project Apollo (1960-1973)" by Gerald G. Schaber.  This 346 page document has only 6 references to the LGEC, along with a handful of photographs of it, but it provides some background into it's history and developement.
The LGEC was the brain child of Dr. Eugene Shoemaker, known as "the Father of Astrogeology", who originally envisioned it as a part of a system known as the Lunar Staff.  This system, had it come to be used, would have been hand carried by the Apollo crewmen on the lunar surface.  The Lunar Staff went through various design changes, but essentially would have included a mobile television camera, a laser range finding reflector system, a spectrographic system, a sun compass, the LGEC, and various other experiments for performing lunar geology on site.  The Lunar Staff was tested in a series of EVA experiments by the USGS at various sites in Arizona, beginning in 1966.
The LGEC was designed by C. J. Hawkins and the original prototype was fabricated by W.E. Fahey in the machine shop of the Branch of Astrogeology of the USGS in Flagstaff, Arizona.
Above: The original prototype of the LGEC.
The caption for the left photo reads "Figure 40-(a) Hawkins-designed, prototype, Apollo stereometric camera as fabricated
(in February 1966) by machinist W.E. Fahey and colleagues with the Branch of Astrogeology (Flagstaff);
showing details of film canister and wind-reel side; USGS photo P68, F26661"
Using the ruler in these photos, I was able to determine the dimensions as W 8" x L 5.5" x H 2.25" (not including lenses)

Above: LGEC prototype mounted on Lunar Staff during Early
Apollo Field Test 8, held 23-27 May 1966 at Hopi Buttes, Arizona.
The caption for this photo reads "Figure 42-(d) Joe (O'Connor) in
Apollo suit with prototype Apollo stereometric camera on staff;
simulated LM ascent stage in background; USGS photo P105, F666544c"

The LGEC finally met it's demise due to two major problems.  One was that "the company" (which I have failed to find a name for anywehere in the available literature) that NASA hired to develop it from prototype to a flight model was too small to handle the complexities of the project and subsequently went bankrupt.  Also, there seems to have been some poltical intrigue behind this, as stated in the USGS paper: "The lunar stereo camera [that the Branch was developing and field testing in astronaut simulations] was cancelled because development was under Leonard Reiffel [in George Mueller’s Office, Office of Manned Space Flight, NASA HQ], who never liked the camera, Gene Shoemaker, or the USGS for that matter."  So, instead of using the LGEC, the astronauts were trained how ot use their Hasselblads to take stereographic photo sets of geologic samples in situ.

 

Journal Home Page