Logo - Journal der Monderkundungen - Apollo 15

Überarbeitete Niederschrift und Kommentare © Eric M. Jones

Redaktion und Edition Ken Glover

Übersetzung © Thomas Schwagmeier u. a.

Alle Rechte vorbehalten

Bildnachweise im Bilderverzeichnis

Filmnachweise im Filmverzeichnis

MP3‑Audiodateien: David Shaffer

Die Kernprobe herausziehen und Verzicht auf die Nord-Gruppe

  1. Audiodatei (, MP3-Format, 1,8 MB) Beginnt bei .

  2. Allen: Dave, wenn du beim ALSEPNASAALSEPApollo Lunar Surface Experiments Package bist und mit der Sonne im Rücken neben der Bohrstelle parkst, geben wir dir vor der Abfahrt dort die NAVNASANAVNavigation System (LRV)-Ausrichtung. (Pause)

  3. Scott: Und wir rollen.

  4. Allen: Verstanden. (Pause)

  5. Scott: Alles funktioniert.

  6. Dave denkt an die erste EVANASAEVAExtravehicular Activity, als er die Vorderräder nicht lenken konnte (). Bei EVA‑2NASAEVAExtravehicular Activity wurden die entsprechenden Schalter mehrmals hin- und hergeschaltet. Daraufhin stand die Vorderradlenkung zur Verfügung (/).

  7. Allen: Sehr schön, Dave. Und hast du gehört? Du parkst mit der Sonne im Rücken, gibst uns die Anzeigen durch und wir richten das NAVNASANAVNavigation System (LRV)-System aus, bevor ihr euch auf den Weg macht zu Station 9.

  8. Scott: Okay. Ich verstehe, Joe. (lange Pause)

  9. Allen: Dave, während du unterwegs bist. Wir möchten, dass du die Bohrersegmente auseinanderschraubst. Dann steckt Jim sie in Beutel 2 (SCB-2NASASCBSample Collection Bag), der unter seinem Sitz liegt. Anschließend filmen wir den Grand Prix und fahren danach zu Station 9.

  10. Scott: Okay. Verstehe. (lange Pause) Upps. (Pause) Warte, Jimmy. Lass mich … (Pause) Ich will kurz zurücksetzen, Jim. Okay?

  11. Irwin: Okay. (Pause)

  12. Scott: Das haben wir noch nicht erlebt, oder?

  13. Irwin: Du steckst fest, nicht wahr?

  14. Scott: Ja. Aber das ist noch nie passiert. (Pause) Ah, ich weiß warum. Nein. (Pause)

  15. Irwin: Okay. Du kommst vorwärts.

  16. Scott: Okay. Upps.

  17. Irwin: Hat sich richtig eingegraben!

  18. Scott: Ja, nicht? Ist noch nie vorgekommen. Mit unserem sonst so zuverlässigen Gefährt.

  19. Dank des geringen Gewichts könnten Dave und Jim das Fahrzeug auch problemlos anheben und wegtragen, wenn es stecken bleibt.

  20. Scott: Ich muss mit der Sonne im Rücken parken, wegen der Angaben für die NAVNASANAVNavigation System (LRV)-Initialisierung. (Pause) Außerdem brauche ich eine gute Position für meine Tricks mit dem Bohrer. (lange Pause) Okay, Joe, ich drücke den NAVNASANAVNavigation System (LRV)-Sicherungsschalter. Der Schatten des Gnomons (SSDNASASSDSun Shadow Device) fällt auf 0,5 (Grad) links, die Längsneigung beträgt ungefähr 2 (Grad) nach unten und die Querneigung … Jim, bleib kurz zurück … die Querneigung liegt bei 2 (Grad) links. (LRV‑Konsole)

  21. Allen: Notiert, Dave. (Pause)

  22. Scott: Okay. Nun zum Bohrer. (Pause) Zuletzt ließen wir unseren Freund …

  23. Irwin: Jetzt ist es unser Freund, ja?

  24. Scott: Ganz recht. Und wenn du … Vielleicht kann ich …

  25. Irwin: Okay. Mal sehen, ob du mich gebrauchen kannst.

  26. Scott: Tja …

  27. Irwin: Was soll ich machen? (Pause)

  28. Scott: (stöhnend) Aahhh! Der Auftrag lautet: Bohrer aus dem Boden ziehen. Allerdings bin ich nicht sicher, ob wir es schaffen, ohne das Bohrgerät laufen zu lassen.

  29. Irwin: Würde ich auch bezweifeln. Wir könnten es kurz einschalten, um den Bohrer zu lockern.

  30. Scott: Gelockert ist er.

  31. Irwin: Hm.

  32. Allen: Dave und Jim, hier ist Houston. …

  33. Scott: (Nicht zu hören, weil Joe Allen spricht.) … hab ihn gestern ein Stück rausgezogen.

  34. Irwin: (Nicht zu hören, weil Joe Allen spricht.) Na dann. Jeder nimmt eine Seite …

  35. Allen: … Wir warten auf das Abschalten des Fahrzeugs und TVNASATVTelevision Ferngesteuert (TVNASATVTelevision RMTNASARMTRemote an der LCRUNASALCRULunar Communications Relay Unit).

  36. Scott: Okay, Joe. Ich wusste nicht, dass ihr auch hier Fernsehbilder wollt. (lange Pause) Okay. TVNASATVTelevision (Ferngesteuert) (LCRU‑Ansicht). (Pause) Okay. Mit der Sonne im Rücken zu parken, macht es einem schwer, die Erde zu finden. Also orientiere ich mich an der AGCNASAAGCAutomatic Gain Control.

  37. Dave muss beim Ausrichten der HGANASAHGAHigh-Gain Antenna vor dem Fahrzeug stehen. Da es mit der Front nach Westen zeigt, blickt Dave nach Osten und somit fast genau Richtung Sonne, wenn er in der ohnehin lichtschwachen Peiloptik die Erde sucht. Durch Ablesen der Signalstärke kann die Antenne auch mithilfe der AGCNASAAGCAutomatic Gain Control‑Anzeige am LCRUNASALCRULunar Communications Relay Unit‑Paneel ausgerichtet werden.

  38. Scott: So, ihr müsstet ein Bild haben, Joe.

  39. Allen: Okay. Vielen Dank, Dave. Beim Zusehen fällt uns eventuell etwas ein, das euch hilft.

  40. Irwin: Dave, ich meine, wenn du eine Seite nimmst, nehme ich die andere. Jeder hakt seinen Arm unter den Griff und zu zweit können wir den Bohrer vielleicht rausziehen.

  41. Scott: Okay. Versuchen wir’s.

  42. Technische Nachbesprechung am

    Scott:Jeder hatte einen der Griffe des Bohrgeräts in seiner Ellenbeuge und wir schafften es, den Bohrer so weit rauszuziehen, dass wir mit unseren Schultern unter die Griffe kamen.

  43. Irwin: Okay. Auf dein Kommando. …

  44. Scott: Los.

  45. Irwin: … 1, 2, 3. (Pause) 1, 2, 3.

  46. Bei 3 hört man Jim vor Anstrengung ächzen. Beim zweiten Mal sogar deutlich stärker.

    Fernsehübertragung läuft.

    Die Kamera zeigt nach unten und bewegt sich nicht.

    Videodatei (, MPG-Format, 28,2 MB/RM-Format, 0,8 MB) Aufnahmen der Fernsehübertragung. Beginn bei .

  47. Irwin: Ein kleines Stück. Lass mich etwas tiefer gehen. Ich möchte weiter runter, um …

  48. Scott: Aber der längere Teil steckt noch.

  49. Irwin: Ja. Weiß ich. Doch wenn wir ihn lockern … 1, 2, 3. Okay. 1, 2, 3.

  50. Scott: Okay. Es reicht. Warte. Das hab ich befürchtet. Joe, denkt ihr … Wie es aussieht, bekommen wir den Bohrer nur aus dem Boden, indem wir das Bohrgerät einschalten.

  51. Allen: Verstanden. Dann machen wir das.

  52. Scott: Okay. (Pause) Allerdings wird sich das Trittblech mitdrehen.

  53. Irwin: Ja, Vorsicht mit dem Trittblech.

  54. Scott: Ich weiß.

  55. Irwin: Soll ich das Blech nach unten schieben? Kann ich es runterschieben und mich draufstellen? (Pause) (nicht zu verstehen)

  56. Scott: Nein, nein, nein, nein. Ein weiteres Problem ist das Lockern der … Ich meine, wir ziehen das ganze …

  57. Irwin: Das ganze Ding raus, ja?

  58. Scott: … Ding raus, legen es oben in die Zwinge und trennen die Segmente.

  59. Irwin: Ja.

  60. Allen: Guter Plan.

  61. Scott: Anders funktioniert es nicht. (Pause) Das muss jetzt wieder runter (vermutlich das Trittblech). (Pause) Tief genug. Ich drehe es und stehe …

  62. Irwin: Mit etwas Abstand zum Trittblech?

  63. Scott: Weit weg kann ich nicht stehen, weil … Das Blech wäre besser unten geblieben. (lange Pause)

  64. Allen: Dave, hier ist Houston. Liegt das Trittblech inzwischen auf dem Boden? (Pause)

  65. Scott: Hey, Joe, ein wenig Geduld. Wäre das möglich?

  66. Allen: Okay. Wir warten.

  67. Scott: (Nicht zu verstehen, weil Joe spricht.) … dem Problem. Du hörst von uns, wenn wir nicht weiterkommen, und … (hört Joe Allen sprechen) Wir informieren euch über den Stand der Dinge. Denn jede Frage hält uns auf, weil wir unterbrechen müssen, um zu antworten. Lass uns einfach …

  68. Allen: Verstanden. …

  69. Scott: … an dem Problem arbeiten.

  70. Allen: … Ist angekommen. Selbstverständlich.

  71. Scott: Ich weiß … (hört Joe Allen sprechen)

  72. Ed Fendell dreht die Fernsehkamera im Uhrzeigersinn, doch er kann sie anscheinend nicht aufwärts bewegen.

  73. Scott: Ich weiß, ihr seid unruhig, aber wir kennen uns mit dem Bohrer mindestens ebenso gut aus (wie jeder andere). Wir fragen euch, wenn uns nichts mehr einfällt. (Pause) Also dann. Ein wenig … (Lachen) Zieht mich gleich wieder mit runter.

  74. Irwin: (Lachen)

  75. Scott: War keine schlechte Idee. Aber so funktioniert es auch nicht. (Lachen) Wenn ich das Bohrgerät einschalte, Joe, passiert genau das, was passieren muss: Der Bohrer bohrt. Wie es bei einem Bohrer sein soll. (Pause)

  76. Videodatei (, MPG-Format, 23 MB/RM-Format, 0,7 MB) Aufnahmen der Fernsehübertragung. Beginn bei .

  77. Irwin: Genau, Dave. Etwas zur Seite drücken. Wollte ich gerade vorschlagen.

  78. Scott: Meine Güte! Oh, Mann.

  79. Irwin: Ich glaube, du hast ihn gelockert.

  80. Scott: Moment, eine Warnanzeige. Ich meine, ein Warnton. Keine Anzeige. 90 Prozent Sauerstoff (RCU‑Ansicht). Hm. (Pause)

  81. Irwin: Sonst ist alles in Ordnung?

  82. Allen: Bei uns …

  83. Scott: Mal sehen, ob wir … (hört Joe Allen sprechen)

  84. Allen: … sieht alles gut aus, Dave. Du könntest den Druckmesser überprüfen.

  85. Scott: Mal sehen, ob wir das zu … (antwortet Joe) Ja, hab ich. Die Anzeige ist normal. (Druckmesser)

  86. Irwin: Ich will mit der Ellenbeuge unter den Griff.

  87. Scott: Der nächste Warnton. Ich meine, das bringt nichts, Jim. Wir bekommen ihn nicht raus.

  88. Irwin: Auf die Art kann ich viel kräftiger ziehen.

  89. Scott: Stimmt. Ich mache mit.

  90. Irwin: Okay. 1, 2, 3. Er kommt. 1, 2, 3. (Pause) Wie viele (Bohrersegmente) sind es noch?

  91. Wieder ist jeweils bei 3 zu hören, wie sehr Jim sich anstrengt.

    Die Fernsehkamera hat den rechten Anschlag erreicht. Einige Sekunden später dreht Ed Fendell die weiterhin nach unten zeigende Kamera in die entgegengesetzte Richtung.

  92. Scott: Noch ein Mal. 1, 2, 3.

  93. Irwin: (nicht zu verstehen) 1, 2, 3 (ächzend).

  94. Scott: Okay. Jetzt geht es langsam voran. Pass auf. Ich hab eine Idee. Wir lockern das Bohrgerät … nehmen das Bohrgerät vom Bohrer, schrauben die Segmente eins nach dem anderen ab, setzen das Gerät wieder auf und ziehen den Strang weiter raus. Was haltet ihr von dem Vorschlag, Leute? In Houston? (Pause)

  95. Irwin: Ich hole den Schlüssel.

  96. Scott: Ja, hol den Schlüssel.

  97. Als Jim beim Fahrzeug den Gabelschlüssel holt, ist unten rechts im Fernsehbild sein Schatten zu sehen.

    In Houston hält man es offenbar für unangebracht, Dave und Jim in dieser Situation mit der Bitte zu stören, die Fernsehkamera nach oben zu kippen. Bei bemerkt Jim selbst das Problem.

  98. Allen: Dave, wie weit habt ihr den Bohrer aus dem Boden gezogen?

  99. Scott: Ungefähr 3 Fuß (91 cm). Und ich denke, wir können Segment für Segment so weitermachen, wenn ihr das unbedingt wollt. (verhaltenes Lachen)

  100. Allen: Verstanden.

  101. Irwin: Hier, ich hab dir den Schlüssel gebracht.

  102. Jones: Sie fragten mehrmals nach, nicht nur hier, ob die tiefe Kernprobe diesen Aufwand wert ist.

    Scott: Stimmt. Wollt ihr das wirklich? Lasst uns doch endlich Schluss machen. Ich erinnere mich, wie ich dachte: Überlegt mal, was uns das bis jetzt gekostet hat! Wie lang soll es noch dauern, bevor wir das Drama beenden. Irgendwann muss man einfach aufhören, um sich nicht zu verrennen und andere Vorhaben zu gefährden. Deshalb meine Frage an Grant beim Abendessen: War es das wert? Wir verbrauchen Sauerstoff, Energie und Zeit, während wir uns damit herumärgern. Sollen wir das wirklich durchziehen, Leute?

    Nach einem unserer Gespräche in Santa Fe trafen Dave und ich uns zum Abendessen mit Grant Heiken und David Vaniman, zwei Mitverfassern des Lunar Sourcebook. Grant Heiken war während des Apollo‑Programms als Geologe am Johnson Raumfahrtzentrum (JSCNASAJSC(Lyndon B.) Johnson Space Center) tätig und konnte unmittelbar nach der Rückkehr von Apollo 15 eine erste schnelle Analyse der Kernprobe anhand von Röntgenaufnahmen vornehmen. Die Aufnahmen zeigten viele unterschiedliche Schichten, was auf eine Fülle an Informationen zum Entstehungsprozess des Regoliths hindeutete. Die tiefen Kernproben der drei J‑Missionen – Apollo 15, Apollo 16 und Apollo 17 – gehören zu den wertvollsten Proben, die vom Mond mitgebracht wurden.

  103. Scott: Ich muss schon sagen, ihr investiert unheimlich viel in diesen Bohrkern. (Pause) Wieder ein paar Zentimeter. (lange Pause)

  104. Videodatei (, MPG-Format, 15,7 MB/RM-Format, 0,5 MB) Aufnahmen der Fernsehübertragung. Beginn bei .

  105. Irwin: Du glaubst nicht, dass wir das Ding im Ganzen rausziehen können, Dave?

  106. Scott: Tja, lass es uns versuchen.

  107. Irwin: Ja. Wenn wir mit der Schulter drunter kommen.

  108. Scott: Okay.

  109. Scott: Die Leute in der hinteren Reihe (im MOCRNASAMOCRMission Operations Control Room) sind bestimmt vollkommen außer sich und sitzen Ed Fendell im Nacken. Dreh endlich die Kamera dorthin! Zeig uns die beiden! Wo sind sie? Was machst du da!?

  110. Irwin: Ich gehe in die Knie, um die Schulter unter den Griff zu bekommen.

  111. Scott: Okay. Ich auch. Warte. Fertig? Upps. Moment. 1, 2, 3. Upps, abgerutscht. Sekunde, vielleicht bekommt man den Arm drunter. Alles klar. Mach es so.

  112. Irwin: Ah, ein gutes isometrisches Training.

  113. Scott: Ja. Okay.

  114. Irwin: 1, 2, 3 (ächzend).

  115. Ed Fendell stoppt die Drehung der Fernsehkamera entgegen dem Uhrzeigersinn, wechselt wieder die Richtung und vergrößert den Zoomfaktor.

    Technische Nachbesprechung am

    Scott:Dann, als jeder einen der Griffe auf seiner Schulter hatte, drückten wir mit so viel Kraft wie möglich – es müssen um die 400 Pfund (1779 N) gewesen sein – bis der Bohrer sich schließlich bewegte und wir ihn rausziehen konnten.

  116. Scott: Okay. Noch mal.

  117. Irwin: Das ist jetzt zu hoch für mich. Ich fasse hier an. Okay. Auf dein Kommando.

  118. Eventuell zieht Jim nun direkt am Bohrstrang.

  119. Scott: Okay. 1, 2, 3 (Stöhnen). 1, 2, 3 (Stöhnen). Ich helfe dir da unten.

  120. Irwin: Ah, wir können …

  121. Scott: Langsam, langsam, langsam. Nicht drehen, nur halten. Auch nicht biegen. Ich bekomme ihn sonst niemals auseinander. 1, 2, 3 (Stöhnen). Okay. 1, 2, 3.

  122. Irwin: Steckt wieder fest.

  123. Scott: Kleine Pause.

  124. Irwin: Ja. (beide keuchen) (Pause) Warum gehen wir nicht auf MAX Kühlung?

  125. Scott: Ja. Dachte ich auch gerade. (Pause)

  126. Irwin: Joe, habt ihr Probleme mit eurer Fernsehkamera?

  127. Allen: Ah, durchaus.

  128. Scott: Ja, zeigt nach unten.

  129. Allen: Jim, bitte unterbrich mal kurz und kipp sie nach oben. Danke.

  130. Irwin: Dave erledigt das.

  131. Dave kippt die Fernsehkamera nach oben und die Nordwestflanke von Mons Hadley kommt ins Bild.

    Videodatei (, MPG-Format, 24,3 MB/RM-Format, 0,7 MB) Aufnahmen der Fernsehübertragung. Beginn bei .

  132. Scott: Geht doch nichts über etwas PTNASAPTPhysical Training am Morgen. Machen wir weiter. Okay.

  133. Scott ( in einem Brief): Den Ausdruck PTNASAPTPhysical Training verwendeten wir beim Militär.

  134. Irwin: Bin bereit.

  135. Scott: 1, 2, 3. Okay, er kommt. Er kommt. Okay. Ich muss hier drunter. Okay. 1, 2, 3 (Stöhnen). (Lachen) Okay.

  136. Irwin: Noch einmal.

  137. Videodatei (, MOV-Format, 0,8 MB, erstellt von Peter Dayton) Aufnahmen der Fernsehübertragung. Beginnt bei .

  138. Scott: 1, 2, 3. Okay. Ich hab ihn. Okay. Ich behalte ihn auch gleich.

  139. Irwin: Okay. Du hältst ihn. Gut

  140. Als Ed Fendell die Fernsehkamera auf die Bohrstelle gerichtet hat, ist Jim bereits zum Fahrzeug gelaufen, um das Tor () zu schließen. Dave hält den vor ihm stehenden Bohrer mit der rechten Hand, die sich etwa in Schulterhöhe befindet. 20 Zentimeter über der Hand hängt das Trittblech. Nicht mehr im Bild ist das Bohrgerät, das weitere 60 bis 70 Zentimeter höher auf dem Bohrer steckt.

    Dave und Jim begannen bei , den Bohrer aus dem Boden zu ziehen.

    Scott: Wenn ich das jetzt höre, kann ich kaum glauben, wie viel Energie wir dafür aufgewendet haben. Mir war es damals schon bewusst, doch heute, bei all dem Keuchen und Stöhnen …

    Jones: Gerade sehe ich mir die Kurven Ihrer Herzfrequenzen an und glaube dieser Grafik nicht eine Sekunde! Demnach lag Ihre Frequenz bei 100 Schlägen pro Minute und Jims bei 125. Diese Werte sind für mich ziemlich unglaubwürdig.

    Scott: Für mich ebenfalls! Denn wir waren absolut am Limit. Mehr ging nicht. Man hört auch, wie wir uns verausgaben. Das war die maximale Anstrengung.

    Jones: Irgendwo im Bereich von 150, 160 Schlägen.

    Scott: Wir müssten unsere Maximalfrequenz erreicht haben. Aber das ist sie gewiss nicht. Auf dem Laufband jagte man uns hoch bis 180, also weiß ich, dass meine Herzfrequenz in der Situation bei 180 lag.

    Jones: Diese Kurven sind Fiktion.

    Scott: Ja, Fiktion. Und daraufhin stellt sich die Frage, wie realistisch die Daten in diesem Missionsbericht (Apollo 15 Mission Report) insgesamt sind.

    Dave dachte noch einmal darüber nach.

    Jones: Nun, die Werte sind vielleicht doch nicht so falsch. Immerhin war es keine Dauerbelastung wie auf dem Laufband. Wir zogen am Bohrer oder stemmten uns von unten gegen die Griffe und ließen wieder los. Kurz anstrengen, dann sofort wieder entspannen. Die Belastung erfolgte in Intervallen und nicht über einen längeren Zeitraum, wobei die Herzfrequenz in die Höhe getrieben wird.

    Jones: Aber man hört Sie keuchen.

    Scott: Sicher. Man atmet stoßweise aus und schnappt hinterher nach Luft, aber das bedeutet nicht unbedingt einen hohen Puls. Womöglich gibt es einige Spitzen, sodass man in dem Moment wegen der Anstrengung außer Atem ist. Wie beim isometrischen Training, nur ohne das Herz übermäßig zu fordern oder den Kreislauf anzukurbeln. Es ist keine dynamische Belastung, eher eine statische. Einfach kurz anstrengen, mit allem, was man hat. Im Nachhinein erstaunt es mich, dass man uns machen ließ.

    Jones: Wenn Sie das denken, will ich nicht widersprechen.

    Scott: Es gibt verschiedene Stufen. Hohe Herzfrequenzen entwickeln sich erst nach längerer Belastung.

    Wir kamen auf Jims Herzrhythmusstörungen zurück und sprachen darüber, ab wann die Flugärzte unruhig wurden.

    Scott: Es könnte sein, dass man sich wegen Jim bereits einige Sorgen machte, denn an diesem Morgen sollte er seine Sensoren (BISNASABISBiomedical Instrumentation System) erneuern. Und dann rackerten wir uns dermaßen ab da draußen. Der Arzt muss kurz vor dem Kollaps gestanden haben.

    Jones: Aber aus dem Überwachungszentrum (MCCNASAMCCMission Control Center) selbst kam sogar der Vorschlag, dass Jim den Bohrer aus dem Boden zieht ().

    Scott: Stimmt. Was man sich wohl dabei gedacht hat? Man merkte anscheinend, wie mir die ganze Sache auf die Nerven ging, und wollte verhindern, dass ich das Ding in den Wind schieße oder den Bohrer einfach abbreche.

    Beim Herausziehen der tiefen Kernprobe verletzte sich Dave, was er jedoch gegenüber den Ärzten im Überwachungszentrum (MCCNASAMCCMission Control Center) verschwieg. Während der Technischen Nachbesprechung im (Apollo 15 Technical Crew Debriefing – ) war die Verletzung ebenfalls kein Thema. Laut Missionsbericht (Apollo 15 Mission Report) kam es aufgrund der Anstrengung zu einer Muskelzerrung und Bänderdehnung in der rechten Schulter, weshalb eine Wärmetherapie verordnet wurde, die auch rasch anschlug. Der Bericht sagt außerdem, dass Dave zur Schmerzlinderung bis zum Ende des Fluges insgesamt 14 Tabletten Aspirin einnahm.

    Scott ( in einem Brief): Nach meiner Erinnerung bekam ich eine Ultraschalltherapie. Das war zu der Zeit eine ganz neue Behandlungsmethode.

    Jones: Sie legten sich mächtig ins Zeug, um die Kernprobe zu bekommen.

    Scott: Kann man sagen. Wir mussten den Strang mit brachialer Gewalt aus dem Boden ziehen.

    Jones: Wobei Sie eine Schulterzerrung davontrugen.

    Scott: Irgendwann passiert es. Zunächst merkte ich nichts davon, weil wir uns voll auf den Bohrer konzentrierten. Wir müssen endlich fertig werden, damit es weitergeht! Sie verstehen. Stellen Sie sich vor: Da vorn liegt die Rille, dort hinten wartet die Nord-Gruppe. Unsere Zeit wird immer knapper. Und wie viel davon haben wir schon für den Bohrkern verbraucht? Es fiel uns schwer, den wissenschaftlichen Wert einzelner Ziele gegeneinander abzuwägen …

    Jones: War es ein eng anliegender Anzug oder gab es Platz zwischen Körper und Innenseite?

    Scott: Es gab reichlich Platz.

    Jones: Also hatten Sie Spielraum? Oder wurde zumindest Ihre Schulter einigermaßen fest gehalten?

    Scott: Ah, so viel nun auch wieder nicht. Er saß locker genug, um ihn gut anziehen zu können. Es lag auf keinen Fall am Anzug. Unsere Anzüge erfüllten ihre Aufgabe sehr gut. Erst recht, wenn man bedenkt, wie wir sie strapazierten. Ich meine: Was machen die Kerle da nur mit ihren Anzügen? Für diese Beanspruchung waren sie eigentlich nicht ausgelegt. Das zeigt, wie robust sie gewesen sind, fast unverwüstlich. Trotzdem wundere ich mich, dass in der hinteren Reihe (im MOCRNASAMOCRMission Operations Control Room) niemand nervös wurde, dass keiner der Chefs einschritt und sagte: Jetzt aber Schluss damit.

    Jones: Wozu es vielleicht gekommen wäre, wenn die Fernsehkamera funktioniert und man alles gesehen hätte.

    Scott: Ja. Möglich. Aber man hörte uns keuchen und stöhnen – zwei Kerle, die in Raumanzügen auf dem Mond schuften. Rückblickend war das ziemlich unvorsichtig. Beinah leichtsinnig. Wie dem auch sei, wir sitzen hier.

    Die Arbeit lenkte uns ab, sodass wir die Gefahren eher vernachlässigten. Man denkt einfach nicht daran. Erst wenn das Warnsystem sich meldet, unternimmt man etwas. Solange kein Warnton zu hören ist, arbeitet man ganz normal wie auf der Erde und alles andere, worüber ich gesprochen habe, tritt in den Hintergrund. Darum kümmern sich die Leute in Houston. Sie geben das Tempo vor, sagen uns, was als Nächstes kommt und so weiter. Denn draußen im Anzug fühlt man sich wirklich wohl.

    Oft fragen die Leute: Mann, hatten Sie keine Angst vor einem Leck? Nein. Kein bisschen. Junge, man ist da draußen und alles funktioniert, also vorwärts. Sollte irgendwas passieren, sagt einem die Bodenstation (MCCNASAMCCMission Control Center) Bescheid oder es klingelt. Dann wird sich um was es auch ist gekümmert. Bis dahin macht man seine Arbeit.

    Durch das intensive Training wussten Dave und Jim sehr genau, was die Anzüge aushielten und was nicht. War besondere Vorsicht geboten, handelten sie entsprechend. Die Arbeit am Felsbrocken bei Station 6A ist ein gutes Beispiel. Ich kenne nur eine Situation, in der jemand während des Aufenthalts auf der Mondoberfläche ein unnötiges Risiko einging. Gegen Ende der dritten EVANASAEVAExtravehicular Activity bei Apollo 16 wollte Charlie Duke wissen, wie hoch er springen kann (). Nach dem Absprung kippte er jedoch nach hinten und landete unsanft auf dem PLSSNASAPLSSPortable Life Support System.

  141. Scott: Okay. Schließ das Tor.

  142. Irwin: Okay. (Pause) Tor ist geschlossen.

  143. Scott: Okay.

  144. Irwin: Soll ich die Zwinge bereit machen?

  145. Scott: Nein. Lass alles, wie es ist.

  146. Irwin: Okay.

  147. Scott: Ist schon drauf.

  148. Irwin: Ja, du willst nicht …

  149. Dave zieht mit rechts am Bohrer, bekommt ihn aber nicht endgültig aus dem Boden.

  150. Scott: Komm und hilf mir noch mal beim Ziehen, Jim. Ich dachte, er wäre draußen.

  151. Irwin: Dachte ich auch.

  152. Jim greift den Bohrer mit der linken Hand in Hüfthöhe und geht leicht in die Knie.

  153. Scott: Das ist eine Zwei-Mann-Aufgabe. Okay. 1, 2, 3. Upps. Da haben wir ihn!

  154. Dave und Jim ziehen gemeinsam. Als der Bohrer plötzlich freikommt, werden beide durch den Ruck ein paar Zentimeter in die Höhe gerissen, sodass die Füße kurz den Bodenkontakt verlieren.

  155. Irwin: Wir wären fast weggeflogen!

  156. Scott: Ich hab ihn.

  157. Irwin: Okay. (Pause)

  158. Scott: (verhalten) Mann, oh, Mann.

  159. Dave schwenkt den Bohrer in die Waagerechte und bringt ihn zum Fahrzeug.

    Technische Nachbesprechung am

    Scott:Weil es bei dieser Bohrung von Bedeutung war, ob sie bis ins Grundgestein vorgedrungen ist, mussten wir das (den Zeitaufwand) in Kauf nehmen (um die Kernprobe zu bekommen). Uns blieb nichts weiter übrig, als die Einschätzung der Leute im Überwachungszentrum (MCCNASAMCCMission Control Center) zu akzeptieren. Doch in dem Moment schien mir der Energie- und Zeitaufwand für diese eine Probe nicht ganz gerechtfertigt. Wie wichtig sie auch sein mag. Andererseits wurde bis dahin schon so viel investiert, dass wir sie kaum zurücklassen konnten. Diese Kernprobe war wirklich teuer.

  160. Irwin: Okay, mal sehen. Ich hole die Kappen dafür.

  161. Scott: Sie sind in Beutel 2 (SCB-2NASASCBSample Collection Bag), glaube ich.

  162. Irwin: Ja.

  163. Während Jim zu seinem Sitz läuft, um SCB-2NASASCBSample Collection Bag darunter hervorzuholen, legt Dave den Bohrer der Länge nach auf die Geologie‑Palette am Fahrzeugheck.

  164. Scott: Bring den ganzen Beutel zu mir, wenn es geht. Ich mache alles hier hinten.

  165. Irwin: Okay.

  166. Allen: Jim, all eure Sachen sind in Beutel 2 (SCB-2NASASCBSample Collection Bag). Und wir möchten, dass die einzelnen Segmente, sobald sie auseinandergeschraubt sind, wieder in Beutel 2 gesteckt werden.

  167. Irwin: Ja. Verstanden. (Pause)

  168. Dave steht auf der rechten Seite der Geologie‑Palette, hinter Jims Sitz. Er versucht, das Trittblech von ihm aus gesehen nach rechts in Richtung Bohrgerät zu bewegen.

    Audiodatei (, MP3-Format, 1,3 MB) Beginnt bei .

  169. Scott: Okay. Ich brauche deine Hilfe, Jim, um das Trittblech nach oben zu bekommen.

  170. Irwin: Okay.

  171. Jim holt zwei längliche Gegenstände aus SCB-2NASASCBSample Collection Bag und legt sie in das Fach unter seinem Sitz.

  172. Scott: Bring den ganzen Beutel her, damit ich arbeiten kann.

  173. Irwin: Ah, okay.

  174. Scott: Bring die Sachen einfach zu mir und ich arbeite wie sonst auch. Dann kannst du dich nützlich machen, anstatt rumzustehen.

  175. Allen: Jim, wir brauchen Bilder von deinem schönen Graben mit der eingestürzten Seitenwand und eine Panoramaserie neben diesem unvergesslichen Bohrloch.

  176. Jim ist mit SCB-2NASASCBSample Collection Bag unterwegs zum Heck des Fahrzeugs, bleibt jedoch hinter Dave stehen.

  177. Scott: Hier. Komm her. Bring ihn hier rüber, Jim.

  178. Dave wendet sich der linken Seite des HTCNASAHTCHand Tool Carrier zu, dem Bereich hinter seinem Sitz.

  179. Scott: Jim, bring ihn dorthin.

  180. Irwin: Ja.

  181. Jim läuft rechts aus dem Fernsehbild.

  182. Scott: Joe, warte einfach, bis wir damit fertig sind. Du hörst von uns, wenn wir wissen wollen, wie es weitergeht.

  183. Allen: Okay.

  184. Scott: Halte dich bitte etwas zurück und sei uns nicht ständig voraus. Dann müssen wir auch nicht immer wieder nachfragen, was du gesagt hast.

  185. Allen: Verstehe dich laut und deutlich.

  186. Scott: Okay, Jim. Du könntest mir helfen, das Trittblech vom Bohrer zu bekommen.

  187. Irwin: Okay.

  188. Diese offen gezeigte Verärgerung ist untypisch für Dave und zeigt deutlich, dass er alles andere als zufrieden damit ist, wie die Dinge laufen.

    In den letzten Minuten hat Joe sich relativ selten und nur kurz gemeldet, zweifellos um Dave und Jim nicht zu stören. Seine schnelle Reaktion auf Daves Vorschlag bei , dass Jim sich nützlich machen kann, sollte lediglich eine Empfehlung sein. Immerhin gehörte es zu den Aufgaben des CapComNASACapComSpacecraft (Capsule) Communicator, für einen kontinuierlichen Ablauf zu sorgen. Doch als Dave seinem Ärger Luft machte und klar wurde, dass er Jims Hilfe noch braucht, gab Joe sofort nach. Mit einem verstehe dich laut und deutlich glättete er die Wogen.

    Nachdem Jim SCB-2NASASCBSample Collection Bag links von Dave an den HTCNASAHTCHand Tool Carrier gehängt hat, läuft er um Dave und den Bohrer herum.

    Videodatei (, MPG-Format, 24,5 MB/RM-Format, 0,7 MB) Aufnahmen der Fernsehübertragung. Beginn bei .

  189. Scott: Wenn du auf die andere Seite gehst, ruckeln wir es hoch zum Bohrgerät.

  190. Videodatei (, MOV-Format, 1,1 MB, erstellt von Peter Dayton) Aufnahmen der Fernsehübertragung. Beginnt bei .

  191. Irwin: Okay. (Pause)

  192. Jim stellt sich Dave zugewandt auf der anderen Seite des Bohrers neben seinen Sitz und greift nach dem Trittblech.

  193. Irwin: Okay.

  194. Zusammen drehen Dave und Jim das Trittblech am Bohrer hin und her, damit es zum Bohrgerät rutscht.

  195. Scott: Du kannst es nicht nach oben oder unten abnehmen. Wir müssen es zur Seite bewegen. (Die Versuche bleiben erfolglos.) Nah, das …

  196. Irwin: Lass mich mal versuchen. (Pause) Es hängt fest am Bohrer, ja?

  197. Scott: Nein, sollte es eigentlich nicht. (Pause) (frustriert). Mann.

  198. Irwin: Aah …

  199. Scott: Mann. (Pause)

  200. Dave bewegt sich nach rechts, wo er vermutlich das Bohrgerät abschrauben will.

  201. Scott: Pass auf, wir schrauben Segment für … Wenn du hier oben festhalten könntest, Jim. Halt den Bohrer auf dem Werkzeughalter (HTCNASAHTCHand Tool Carrier) fest.

  202. Irwin: Ja. Ich gehe ans andere Ende.

  203. Scott: Nein, warte. Ich halte den Bohrer und du schraubst das Gerät ab.

  204. Irwin: Okay. (Pause)

  205. Dave geht zurück nach links und hält mit beiden Händen den Bohrer fest, während Jim beginnt, das Bohrgerät abzuschrauben.

  206. Scott: Okay. Dreh das Gerät nach links. Genau so. Weiter nach links. Langsam. Langsam. (Pause) Möglichst gerade halten. Gut. Noch eine Umdrehung. Nur etwas … Schön gerade halten. Müsste gleich kommen. (Pause) Hochhalten. So. Weiter. (Pause) Zieh ihn weg. Sachte. (Pause)

  207. Das Bohrgerät ist abgenommen und Jim legt es vor seinem Sitz auf den Fahrzeugboden.

  208. Scott: Ich muss die Kamera loswerden. Okay. Bleib kurz da stehen.

  209. Dave schiebt seine Kamera (HEDCNASAHEDCHasselblad Electric Data Camera) von der RCUNASARCURemote Control Unit-Schiene und läuft zur linken Fahrzeugseite, um die Kamera auf seinen Sitz zu legen. Dabei verlässt er das Fernsehbild.

  210. Irwin: Soll ich warten, Dave?

  211. Scott: Ja. Warte einen Moment, bis ich … (lange Pause)

  212. Dave kommt wieder zurück.

  213. Scott: Jetzt die praktischen kleinen Verschlusskappen rausholen (aus SCB-2NASASCBSample Collection Bag). (Pause) Hör zu, eigentlich müsste ich ab hier auch allein klarkommen, Jim. Mach du weiter. (Nicht zu verstehen, weil Jim spricht.)

  214. Irwin: Okay. Ich werde die Fotos machen, um die Joe gebeten hat.

  215. Scott: Ja.

  216. Irwin: Wenn du Hilfe brauchst, ruf mich einfach. Ich komme dann sofort.

  217. Scott: Okay.

  218. Irwin: Ich bin in der Nähe. Mein Graben ist … Der Graben ist gleich hier, ja.

  219. Scott: Okay. (lange Pause)

  220. Jim läuft für die Nachher-Aufnahmen zum Graben und Ed Fendell verfolgt ihn mit der Fernsehkamera. Als Erstes fotografiert Jim ein Stereobildpaar, bei dem er die Sonne im Rücken hat, AS15-88-11872 und AS15-88-11873. Es folgt ein Stereobildpaar quer zur Sonne aus nordöstlicher Richtung, AS15-88-11874 und AS15-88-11875.

    Videodatei (, MOV-Format, 1 MB, erstellt von Peter Dayton) Aufnahmen der Fernsehübertragung. Beginnt bei .

    Videodatei (, MPG-Format, 25 MB/RM-Format, 0,7 MB) Aufnahmen der Fernsehübertragung. Beginn bei .

  221. Scott: Okay, Joe. Auf das obere Ende des Kernbohrers kommt Alpha (Kappe #A). (CDR-22)

  222. Allen: Notiere Alpha.

  223. Scott: Auf die Bohrkrone (am unteren Ende) kommt Beta (Kappe #B). (CDR-22)

  224. Allen: Verstanden. (lange Pause)

  225. Jim läuft von einem Fuß auf den anderen springend an der Westseite des Grabens vorbei und bleibt unmittelbar vor der Fernsehkamera stehen. Dort fotografiert er AS15-88-11876 und AS15-88-11877, ebenfalls ein Stereobildpaar quer zur Sonne.

    Auf allen sechs Bildern sieht man Reifenspuren dicht neben dem Graben. Sie müssen entstanden sein, als Dave für den Abschluss der zweiten EVANASAEVAExtravehicular Activity zum LMNASALMLunar Module zurückfuhr, denn auf AS15-92-12443 sind noch keine Spuren zu sehen. Dieses Foto machte Jim bei , bevor er selbst zurücklief und somit, bevor Dave abgefahren ist. Das Fischgrätenmuster des Profilabdrucks zeigt außerdem, dass Dave den Graben von Westen kommend nördlich umfahren hat.

  226. Irwin: Okay. Ich habe die Fotos vom Graben. Sagtest du, ihr wollt hier auch eine Panoramaserie, Joe?

  227. Allen: Richtig.

  228. Irwin: Okay.

  229. Unterbrechung des Funkverkehrs.

    Jim läuft zurück an eine Stelle östlich des Grabens und Ed Fendell folgt ihm. Die Panoramaserie beginnt Jim wie üblich mit der Sonne im Rücken. Er macht drei Fotos. Nach einer weiteren kleinen Drehung für das nächste Bild scheint Jim langsam das Gleichgewicht zu verlieren. Deshalb stellt er den rechten Fuß nach vorn und knickt das linke Bein etwas ein, sodass vom linken Fuß nur die Zehenspitzen den Boden berühren. In dieser Haltung verharrt Jim eine . Dann dreht er sich um, damit Licht auf die Kamera (HEDCNASAHEDCHasselblad Electric Data Camera) fällt, während er sie untersucht, weil abermals der automatische Filmtransport versagt. (Zum ersten Mal geschehen bei Station 4.) Insgesamt schaffte Jim nur vier Aufnahmen, AS15-88-11878 bis AS15-88-11881. Dave Byrne hat sie für ein partielles Panorama verwendet.

  230. Scott: Mensch, wir haben tatsächlich Material in der Röhre! (Pause)

  231. Dave konnte das oberste Bohrersegment – Segment 6 – abschrauben und sieht sich das untere Ende an, bevor er es mit einer Kappe verschließt.

  232. Irwin: Wie läuft’s bei dir?

  233. Scott: Läuft. Okay, Joe. Charlie für das oberste Segment.

  234. Segment 6 wird unten mit Kappe #C verschlossen.

  235. Allen: Verstanden.

  236. Jim dreht sich wieder nach Nordwesten, um zu versuchen, weitere Fotos zu machen.

  237. Scott: Und ich … Mal sehen. Den anderen Beutel … wo sie rein müssen.

  238. Irwin: Ich nehme mir deine Kamera (HEDCNASAHEDCHasselblad Electric Data Camera), Dave.

  239. Scott: Ja.

  240. Irwin: Mein Magazin hat wieder einen Filmstau. (Nicht zu verstehen, weil Dave spricht.)

  241. Jim läuft zum Fahrzeug. Dabei löst er die Sperre am Kamerahalter für die RCUNASARCURemote Control Unit-Schiene und schiebt ihn ein kleines Stück nach oben.

  242. Scott: Wirklich?

  243. Irwin: Es ist dasselbe, bei dem sich auch gestern der Film gestaut hat, nicht wahr? Ja.

  244. Scott: Aber es funktionierte … Bist du sicher?

  245. Irwin: Ein paar Aufnahmen konnte ich machen und jetzt ist es wieder blockiert.

  246. Jim bleibt kurz stehen. Nach ein paar Sekunden schiebt er den Halter samt Kamera (HEDCNASAHEDCHasselblad Electric Data Camera) endgültig von der RCUNASARCURemote Control Unit-Schiene und läuft weiter.

  247. Scott: Okay. Hey, Joe, in welchen Beutel soll ich die Kernbohrersegmente stecken?

  248. Allen: Beutel Nummer 2 (SCB-2NASASCBSample Collection Bag), Dave.

  249. Jim legt die Kamera (HEDCNASAHEDCHasselblad Electric Data Camera) auf seinen Sitz. Dann läuft er um das Heck des Fahrzeugs herum zum CDRNASACDRCommander-Sitz, wo Daves Kamera liegt.

    Der Abschnitt des Missionsberichts, der die defekte Kamera behandelt, ist im Kommentar nach wiedergegeben.

    Videodatei (, MPG-Format, 28 MB/RM-Format, 0,8 MB) Aufnahmen der Fernsehübertragung. Beginn bei .

  250. Scott: In Beutel Nr. 2 fehlen die Taschen.

  251. Allen: Kein Problem.

  252. Scott: (nicht überzeugt) Okay. (Pause) Es wird jedoch zum Problem, wenn wir anfangen, den Beutel zu füllen.

  253. Allen: Negativ, Dave. Das ist jetzt ein Extrabeutel und wir denken daran.

  254. Scott: Okay.

  255. Ed Fendell schwenkt die Fernsehkamera weiter nach rechts bis zum Anschlag. Zu sehen ist Dave, der das Trittblech am Bohrer einige Zentimeter von der Palettenkante wegzieht, damit Jims Rückenlehne nicht im Weg ist, wenn er es vom Bohrer dreht.

  256. Scott: So, erst mal muss das Trittblech runter. (Pause) Versuchen wir es damit. (Pause)

  257. Dave nimmt sich den Gabelschlüssel, um den Bohrer zu fixieren, während er das Trittblech dreht. Zuvor verschließt er die obere Öffnung des fünften Bohrersegments.

  258. Scott: Okay. Kappe Delta (#D) sitzt auf dem oberen Ende des nächsten Segments (Segment 5). (lange Pause)

  259. Ed Fendell schwenkt die Fernsehkamera nach links zu Jim, der seine Panoramaserie nun mit Daves Kamera (HEDCNASAHEDCHasselblad Electric Data Camera) fotografiert.

  260. Scott: Mal sehen. (lange Pause) Jim, hast du die Zwinge richtig montiert?

  261. Irwin: Gewiss.

  262. Scott: Ah, sie ist verkehrt herum.

  263. Irwin: Man kann sie nur auf eine Art montieren, Dave.

  264. Scott: Ehrlich?! (Pause) Sie funktioniert nicht. Doch, es geht. (stöhnend) Aahhh!

  265. Irwin: Okay. Die Panoramaserie ist komplett, Joe.

  266. Allen: Ausgezeichnet.

  267. Das zweite Panorama bei Station 8, aufgenommen von Jim (AS15-82-11047 bis AS15-82-11064, zusammengesetztes Bild: Dave Byrne). Eine kürzere Version des Panoramas stammt von Mike Constantine. Frank O'Brien verwendete einige der nach Osten fotografierten Bilder für ein partielles Panorama.

    Auf AS15-82-11053 sind die Linienstrukturen am Westhang von Mons Hadley immer noch zu erkennen, wenn auch sehr viel undeutlicher als beim ersten Panorama an der Stelle, das Dave vorher während EVA‑2NASAEVAExtravehicular Activity fotografierte.

    Trotz Gegenlicht sind AS15-82-11055, -11056 und -11057 gut gelungene Aufnahmen der Swann-Berge, weil die Sonne inzwischen 7 Grad höher über dem Horizont steht als am Vortag.

    Die Aufnahmen AS15-82-11060 und -11061 zeigen Dave am Heck des Fahrzeugs, während er die Zwinge untersucht. Der Bohrer liegt auf der Geologie‑Palette und das Trittblech hängt knapp unterhalb des oberen Endes. David Harland verwendete AS15-82-11059 bis AS15-82-11062 für ein zusammengesetztes Bild mit Dave am Fahrzeugheck.

    Bei AS15-82-11062 sieht man, dass die Fernsehkamera auf Jim gerichtet ist. Das Trittblech wurde etwas gedreht, sodass die Unterkante hinter dem Kotflügel verschwindet.

    AS15-82-11063 ist ein Foto Richtung Westen. In Bildfeld D3 kann man am Horizont gerade noch den Gipfel von Bennett Hill sehen.

    Das letzte Bild der Serie, AS15-82-11064, zeigt die Zentraleinheit (CSNASACSCentral Station), davor den Radioisotopengenerator (RTGNASARTGRadioisotope Thermoelectric Generator) und ganz rechts am Bildrand das Magnetometer (LSMNASALSMLunar Surface Magnetometer). Zwischen CSNASACSCentral Station und LSMNASALSMLunar Surface Magnetometer steht das Sonnenwindspektrometer (SWSNASASWSSolar Wind Spectrometer).

    Während Jim die Fotos macht, ist zu beobachten, wie er gelegentlich die Einstellung am Objektiv ändert. Je nachdem, in welche Richtung relativ zur Sonne fotografiert wird und abhängig vom Objekt, muss die passende Blende und Belichtungszeit gewählt werden. Alle Kameraeinstellungen für den entsprechenden Filmtyp (HBWNASAHBWHigh-Speed Black-and-White oder HCEXNASAHCEXHigh-Speed Color Exterior) sind auf einem Schild zu lesen, das oben auf dem Filmmagazin haftet.

    Dave und ich betrachteten AS15-82-11056, ein Foto Richtung Osten auf dem die Flagge, der Sonnenwindkollektor (SWCNASASWCSolar Wind Composition (Experiment)), das LMNASALMLunar Module und im Hintergrund die Swann-Berge zu sehen sind.

    Jones: Bei diesem Foto denke ich an unser Gespräch über das Bild, auf dem Jim neben der Flagge steht (Kommentar nach ). Wahrscheinlich liegt es an diesem kleinen Hügel zwischen Flagge und Landefähre, dass man bei AS15-88-11866 den Eindruck hat, als ob es leicht bergauf geht. Außerdem steht das LMNASALMLunar Module nach Süden geneigt. Beides zusammen lässt einen glauben, man sieht eine Steigung.

    Scott: Interessant. Ist mir bisher nicht aufgefallen.

    Jones: In der Kabine verloren Sie kein Wort über die Neigung des LMNASALMLunar Module. Daher nehme ich an, es hat Sie nicht sehr gestört.

    Scott: Nein. Wir haben kaum etwas gemerkt. Auf dem Bild sorgt vermutlich der Horizont dafür, dass die Neigung so deutlich erkennbar ist. Eine optische Täuschung. Was passiert, wenn Sie den Horizont abdecken? Dann steht es gar nicht mehr so schief.

    Jones: Ich glaube, der Neigungswinkel beträgt 9 Grad.

    Jim läuft rechts aus dem Bild, um sich aus dem Fach unter dem CDRNASACDRCommander-Sitz ein neues Filmmagazin zu holen.

  268. Irwin: Ich nutze die Zeit und werde an meine Kamera (HEDCNASAHEDCHasselblad Electric Data Camera) ein Magazin mit Schwarz‑Weiß‑Film ansetzen.

  269. Allen: Gute Idee.

  270. Scott: An deiner Kamera ist bereits ein neues Magazin, Jim. Es kann nicht dasselbe sein, das gestern versagt hat.

  271. Irwin: Nein, ich habe das Magazin mit Farbfilm, TT (MAGNASAMAGMagazin TT/AS15-88). Und das hatte ich auch gestern dran.

  272. Scott: Nein, Irrtum. TT ist ganz neu.

  273. Allen: Du hast recht, Dave. Tango Tango ist ein ganz neues Magazin.

  274. Als der Defekt auftrat (), fotografierte Jim mit Magazin PP/AS15-90.

    Ed Fendell hat die Fernsehkamera wieder auf Dave gerichtet, der am Fahrzeugheck damit beschäftigt ist, das nächste Bohrersegment (Segment 5) abzuschrauben. Mithilfe des Gabelschlüssels in der rechten Hand will er das Segment entgegen dem Uhrzeigersinn drehen, während der restliche Bohrstrang von der Zwinge festgehalten wird. Nach einigen Versuchen zieht er den Bohrer weiter nach außen und setzt erneut den Schlüssel an.

  275. Irwin: Okay. In dem Fall werde ich die Fehlerbehebungsmaßnahmen einleiten.

  276. Allen: Okay. Sehr gut.

  277. Jim läuft hinten um das Fahrzeug herum zu seinem Sitz. Dave versucht nach wie vor, das Bohrersegment zu lösen. Dabei kommt er dem Problem auf die Spur.

  278. Scott: Ich sage es dir ungern, Jim, aber die … Ach, Mensch! Die Zwinge ist … Ich schwöre, sie ist verkehrt herum montiert. (Pause)

  279. Videodatei (, MPG-Format, 30,3 MB/RM-Format, 0,9 MB) Aufnahmen der Fernsehübertragung. Beginn bei .

  280. Irwin: Die Passlöcher auf dem Werkzeughalter (meint die Geologie‑Palette) lassen nur eine Richtung zu. (Pause)

  281. Scott: (niedergeschlagen) Dann sind auch die verkehrt.

  282. Ed Fendell zoomt auf die LMPNASALMPLunar Module Pilot‑Kamera, während Jim sie in der Hand hält, um den Fehler zu suchen. Im Hintergrund schiebt Dave den Bohrer zurück nach rechts.

  283. Scott: Wie viele Stunden wollt ihr eigentlich opfern für diesen Bohrkern, Joe? (Lachen) Die Zwinge greift nicht richtig … (Pause) und deshalb kann ich die Segmente nicht lösen.

  284. Irwin: Dave, ich kann den Bohrer unten festhalten, wenn du willst.

  285. Scott: Tja. Du kannst es versuchen, …

  286. Irwin: Ja.

  287. Scott: … vielleicht bringt es was. Aber die Zwinge … Im Training hat sie immer fest zugepackt. Es gab nie ein Problem.

  288. Jim legt die Kamera in sein Sitzfach und läuft zum unteren Ende des Bohrers.

    Technische Nachbesprechung am

    Scott:Die Zwinge auf der Palette funktionierte nicht. Mein erster Gedanke war: Sie ist verkehrt herum montiert. Ich wusste genau, dass wir vor dem Flug darüber gesprochen hatten und dass man sie nur auf eine Art montieren konnte. Darum wollte ich es zunächst nicht glauben. Doch sie hat einfach nicht gegriffen. … Der Gabelschlüssel funktionierte sehr gut. Er griff und hielt die Bohrersegmente ordentlich fest. Dagegen bot die Zwinge auf der Palette nicht den geringsten Halt.

    Wie sich herausstellte, war die Zwinge auf der Geologie‑Palette tatsächlich verkehrt montiert. Allerdings hatte Jim daran keine Schuld.

    Aus dem Missionsbericht zu Apollo 15 (Apollo 15 Mission Report), Abschnitt 14.4.1.5 Schwierigkeiten beim Trennen der Kernbohrersegmente:

    Zum Trennen der Kernbohrersegmente konnten die vorgesehenen Werkzeuge, Zwinge und Gabelschlüssel, nicht gemeinsam verwendet werden, weil die Zwinge seitenverkehrt montiert war. Der aus sechs Segmenten bestehende Bohrstrang wurde im Ganzen aus dem Boden gezogen und in die Zwinge auf dem Fahrzeug gelegt. Anschließend gelang es, drei einzelne Segmente vom Strang zu lösen, indem ein Astronaut den unteren Teil mit den Händen festhielt, während sein Partner mit dem Schlüssel das jeweils oberste Segment lockerte. Die restlichen drei Segmente blieben verbunden und wurden so zur Erde gebracht.

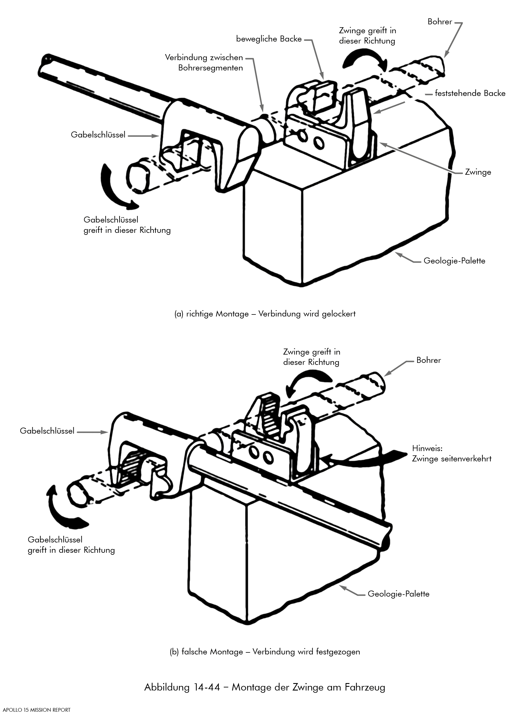
    Zwinge und Schlüsselkopf sind im Wesentlichen baugleich. Beide haben eine feststehende Backe und eine bewegliche, die sich etwas kippen lässt. Die Zwinge wird rechts auf der Geologie‑Palette am Fahrzeugheck montiert (hinter dem LMPNASALMPLunar Module Pilot‑Sitz). Der Gabelschlüssel ähnelt einem herkömmlichen Universalschlüssel. Seine Schlüsselweite ist jedoch auf den Außendurchmesser des Kernbohrers abgestimmt und nicht verstellbar.

    Bei einer Montage wie in diesem Fall hält die Zwinge den Bohrer nur in der Richtung, in der das obere Segment mit dem Schlüssel festgezogen wird. Sie hält aber nicht in der Gegenrichtung zum Lockern der Verbindung (Abbildung 14-44). Die Lockerung wäre möglich, wenn der Schlüssel auf der Innenseite angesetzt wird (an einem unteren Segment). Allerdings gibt es zwischen Bohrer und Palettenoberkante zu wenig Platz, um das Bohrersegment mithilfe des Schlüssels auch drehen zu können. Zudem ist ein Bohrersegment kürzer als die Breite der Palette, es reicht also nicht darüber hinaus.

    Die Zeichnung in der Montageanleitung war irreführend. Eine mittlerweile erfolgte Überarbeitung sorgt für die korrekte Ausrichtung der Zwinge bei Apollo 16. Während des Trainings (für Apollo 15) wurde die Zwinge entgegengesetzt zur falschen Anleitung montiert und somit richtig, um die Bohrersegmente zu lockern.

    Die Behandlung dieses Problems ist abgeschlossen.

    Nun stellen sich zwei Fragen: Wusste die Person, die beim Training die Zwinge montierte, von dem Fehler in der Zeichnung? Und wenn das zutrifft, wieso machte der- oder diejenige niemanden darauf aufmerksam?

  289. Irwin: Okay. Ich gehe ans andere Ende. (Pause) Hinter deinem linken Fuß liegen ein paar Kappen.

  290. Scott: Ach, Mist! Hab sie schon wieder runtergeschubst.

  291. Irwin: Warte, ich hebe sie auf.

  292. Scott: (unwirsch) Nein, geh und greif dir die Zwinge! Ich meine den Bohrer. Wir sind hier gleich fertig.

  293. Irwin: Okay. Hab ihn.

  294. Scott: Okay. (Pause)

  295. Der barsche Ton gegenüber Jim und die scheuchende Handbewegung sind Zeichen dafür, dass Daves Unzufriedenheit in dieser Situation eher zu- als abgenommen hat. Wie üblich fängt er sich aber gleich wieder und Jim ignoriert großzügig den kurzen Ausbruch.

    Der Bohrer dreht sich ungehindert, wenn Dave den Gabelschlüssel ansetzt und nach unten drückt. An der Bewegung des Trittblechs, das noch am oberen Ende des fünften Bohrersegments hängt, kann man es gut erkennen.

  296. Scott: Will nicht greifen. Nicht so halten. Halt ihn gerade in der Zwinge, wenn du kannst, Jim. Siehst du, wie er drinliegt?

  297. Irwin: Ja.

  298. Jim könnte den Bohrer zur Seite gedrückt und in der Zwinge verklemmt haben, um vielleicht zu erreichen, dass er zumindest ein wenig festgehalten wird.

  299. Scott: Okay. (Pause) Greift einfach nicht. So, jetzt aber. Okay. Halt ihn genau so.

  300. Auf einmal bewegt sich das Trittblech ruckartig, weil der Bohrer nun einen gewissen Widerstand bietet und Dave das oberste Segment (Segment 5) tatsächlich lockert. Das Trittblech zeigt in dem Augenblick nach unten.

  301. Scott: (mit gedämpfter Stimme) Mann, oh Mann! (Pause) Halt ihn genau da.

  302. Allen: Dave, das Trittblech schrammt gegen den Kotflügel. Gut, es ist vorbeigerutscht. (Pause)

  303. Scott: Ja, ich sehe es. Kein Problem. (Pause) (hocherfreut, dass der Bohrer sich deutlich lockert) Na also!! (Pause)

  304. Nach einer kompletten Umdrehung stößt das Trittblech wieder gegen den rechten hinteren Kotflügel.

  305. Scott: Das Schwierige dabei ist … Okay. Lass los. Ich ziehe ihn etwas weiter raus. (Pause)

  306. Dave hebt den Bohrer an und zieht den gesamten Strang ca. 6 Zoll (15 cm) nach außen, damit das Trittblech den Kotflügel nicht mehr berührt.

  307. Scott: Halt wieder fest, Jimmy.

  308. Irwin: Okay. (Pause) Okay, hab ihn. (Pause)

  309. Scott: Okay. Meine Güte!

  310. Dave konnte das Bohrersegment eine weitere Vierteldrehung herausschrauben. Jetzt legt er den Gabelschlüssel weg, läuft nach links und stellt sich vor das rechte Hinterrad. Dort nimmt er das Trittblech in beide Hände, um das fünfte Segment ganz abzuschrauben.

  311. Scott: Joe, ich habe von dir noch nicht gehört, dass ihr den Bohrkern wirklich unbedingt wollt. (Pause) Sag mir, dass ihr ihn unbedingt wollt.

  312. Allen: (mit spürbarem Verständnis) Es fällt mir nicht leicht, das zu bestätigen, Dave.

  313. Nach einer Dreivierteldrehung mit dem Trittblech löst sich Segment 5 vom Bohrstrang.

  314. Allen: Großartig.

  315. Irwin: Ich hebe die Kappen für dich auf, Dave.

  316. Scott: Okay.

  317. Irwin: Brauchst du sie jetzt?

  318. Scott: Ja.

  319. Irwin: Okay. (lange Pause)

  320. Dave beobachtet Jim, der außerhalb des Fernsehbilds die Verschlusskappen vom Boden aufhebt. Schließlich neigt sich Dave zur Seite und reicht mit der rechten Hand nach unten, damit Jim ihm die Kappen geben kann.

  321. Scott: Okay. Danke. (Pause) Okay. Kappe Echo … sitzt auf dem nächsten Segment.

  322. Segment 5 wurde unten mit Kappe #E verschlossen.

  323. Scott: Okay. (Pause) Nun, mein Freund. Wenn du glaubst, es gelingt dir, das runterzubekommen … Pass auf, wir nehmen wieder den Schlüssel.

  324. Jim steht rechts außerhalb des Fernsehbilds, während er Dave hilft, Bohrersegment und Trittblech zu trennen. Dave ist zwar zu sehen, aber seine Hände werden vom Fahrzeug verdeckt. Daher ist unklar, was genau die beiden tun. Jims Vorschlag bei deutet jedoch darauf hin, dass Jim das Trittblech festhält und Dave das Bohrersegment mithilfe des Gabelschlüssels aus der Führungsöffnung schraubt.

    Videodatei (, MPG-Format, 17,7 MB/RM-Format, 0,5 MB) Aufnahmen der Fernsehübertragung. Beginn bei .

    Audiodatei (, MP3-Format, 1,8 MB) Beginnt bei .

  325. Allen: Dave, wie viele Segmente müsst ihr noch trennen?

  326. Irwin: Wenn du den Schlüssel nimmst, halte ich das Trittblech.

  327. Scott: Okay. (hörbar genervt) Ah, Sekunde, Joe. Es sind 1, 2, 3, 4.

  328. Allen: Danke.

  329. Vermutlich ärgert es Dave, dass man in Houston nicht mitgezählt hat.

  330. Irwin: Ich halte es, wenn du …

  331. Scott: Ja. (lange Pause) Aahh! (Pause) Nein, falsche Richtung. (lange Pause) Das scheint auch nicht richtig zu sein. Probieren wir es andersrum. Mann, wie konnte sich das Trittblech nur so verklemmen? (lange Pause)

  332. Während beide versuchen, das Trittblech vom Bohrer zu bekommen, bewegt sich Dave langsam nach rechts aus dem Bild.

  333. Irwin: Es bewegt sich.

  334. Scott: Ja.

  335. Irwin: Hat sich gelockert.

  336. Scott: So geht es. (Pause) Sitzt ziemlich stramm.

  337. Irwin: Vielleicht bekomme ich es raus.

  338. Scott: Dreh es zu dir hin raus, wegen der Kappe. Klar, was ich meine?

  339. Irwin: Ja.

  340. Scott: Nimm das … Das Ende in deiner rechten Hand muss durch die Öffnung. Inzwischen werde ich hier mit dem nächsten Segment weitermachen. (Pause)

  341. Videodatei (, MPG-Format, 27,4 MB/RM-Format, 0,8 MB) Aufnahmen der Fernsehübertragung. Beginn bei .

  342. Scott: Okay. Foxtrot sitzt auf dem nächsten Segment (Segment 4).

  343. Allen: Verstanden. (lange Pause)

  344. Dave ist zurück im Fernsehbild und hat soeben das obere Ende des vierten Bohrersegments mit Kappe #F verschlossen. Nun zieht er den Bohrstrang wieder ein Stück nach außen, bis Segment 3 in der Zwinge liegt. Anschließend versucht er mit dem Gabelschlüssel das vierte Segment zu lockern.

  345. Irwin: Hätte ich das gewusst, hätte ich meine Überhandschuhe nicht ausgezogen, Dave.

  346. Scott: Dann lass es lieber sein. Nicht, dass du deine Handschuhe ramponierst. Ich mach das.

  347. Dave trägt seine Überhandschuhe offenbar noch. Gemeint sind Überhandschuhe ohne Fingerspitzen. Sie sollten die Handflächen der EV‑Handschuhe vor allzu großem Verschleiß durch die scharfkantigen Staubpartikel schützen. Einige Bilder von Gene Cernans abgenutzten Überhandschuhen zeigen, wie stark das an sich robuste Gewebe in der kurzen Zeit beansprucht wurde.

  348. Irwin: Schon gut, alles in Ordnung. Ich passe auf.

  349. Scott: Diese Zwinge will einfach nichts halten. Irgendwas stimmt nicht damit. (lange Pause) Die Zwinge ist vollkommen nutzlos! Ich brauche dich wieder zum Festhalten … (Pause)

  350. Dave sieht kurz auf seine Armbanduhr am linken Unterarm.

  351. Scott: Was sagt man dazu? und wir haben immer noch mit dem Ding zu tun.

  352. Scott ( in einem Brief): Aha! Also benutzte ich meine Armbanduhr! So habe ich es auch in Erinnerung.

    Die dritte EVANASAEVAExtravehicular Activity begann bei . Bei fuhr Dave zur Bohrstelle, während Jim bereits zu Fuß dorthin unterwegs war. Folglich sind Dave und Jim seit ungefähr mit dem Bohrkern beschäftigt.

  353. Irwin: Das Trittblech ist ab.

  354. Scott: Hervorragend! Ich stecke das (Segment 5) rein (in SCB-2NASASCBSample Collection Bag). (Pause) Jetzt halt das Segment (meint den Bohrer) für mich fest, …

  355. Irwin: Okay.

  356. Scott: … wie vorhin. (Pause) Sie greift einfach nicht. Die …

  357. Allen: Dave und Jim, hier ist Houston.

  358. Scott: Kommen.

  359. Allen: Verstanden, Leute. Was …

  360. Irwin: (während Joe spricht) Sollen wir versuchen, ihn so mitzunehmen, Dave?

  361. Allen: … meint ihr. Wäre es möglich, das unterste Segment (Segment 1) abzuschrauben?

  362. Dave hält den Bohrer so vor die Fernsehkamera, dass er in Houston gut zu sehen ist. Momentan sind es vier Segmente mit einer Gesamtlänge von reichlich 1½ Metern.

  363. Scott: Joe, seht selbst. Das ist noch übrig. Die Zwinge … (korrigiert sich) Der Schlüssel … Der Gabelschlüssel für die Hand funktioniert. Aber das Teil auf dem Werkzeughalter (HTCNASAHTCHand Tool Carrier) will aus irgendeinem Grund nicht greifen. Vielleicht liegt es an den Bohrwendeln. Ich kann die Segmente schlichtweg nicht lockern! Das ist unser Problem. Die Schlüssel (meint Zwinge und Gabelschlüssel) funktionieren nicht (zusammen).

  364. Dave legt den Bohrer zurück in die Zwinge auf der Geologie‑Palette und versucht weiter, Segment 4 mit dem Gabelschlüssel zu lockern.

  365. Allen: Dave und Jim, deponiert bitte den Bohrer auf dem Boden, wir werden ihn auf dem Rückweg dort abholen. Dann möchten wir, dass ihr weitermacht und den Grand Prix filmt.

  366. Scott: Gern. Das tun wir.

  367. Als Joe ihm die Entscheidung aus Houston mitteilt, legt Dave den Gabelschlüssel sofort beiseite und nimmt den Bohrer, um nach einem geeigneten Platz dafür zu suchen.

    Während des Grand Prix steht Jim an einer Stelle, von der aus er in Richtung Nordwesten filmen kann, wie Dave die vorgegebenen Manöver absolviert. Geplant waren zwei solche Testfahrten, je eine am Ende der geologischen Exkursionen bei EVA‑2NASAEVAExtravehicular Activity und EVA‑3NASAEVAExtravehicular Activity (CDR-20/CDR-37).

  368. Irwin: Steck ihn dort rein, Dave. Wir können ihn vielleicht so (zur Erde) mitnehmen.

  369. Videodatei (, MPG-Format, 8,7 MB/RM-Format, 0,3 MB) Aufnahmen der Fernsehübertragung. Beginn bei .

  370. Scott: Ja, wahrscheinlich. Allerdings weiß ich nicht, wo wir den Bohrer im Kommandomodul (CMNASACMCommand Module) unterbringen. (Jim lacht) Ich lass mir was einfallen. (sieht sich um) Mal sehen. Zunächst muss ich einen sicheren Platz finden, wo wir ihn nicht demolieren. Ideal ist es nirgendwo. Ich lege ihn auf das Trittblech. (Pause)

  371. Dave läuft links aus dem Bild, um den Bohrer auf die Bohrerführungsmanschette des Trittblechs zu legen. Von der Manschette gestützt liegt er etwas höher, sodass Dave und Jim ihn leicht wiederfinden, wenn sie am Ende ihrer Erkundungsfahrt zurückkommen.

  372. Scott: Diese Kernprobe müssen wir unbedingt nach Hause bringen. Sie hat uns mehr Zeit gekostet als alles andere. (Pause) Okay. Nimm deine Kamera (LDACNASALDACLunar Surface Data Acquisition Camera).

  373. Jim läuft zu seinem Sitz, Dave zum Heck des Fahrzeugs.

  374. Irwin: Okay. Also, das Bohrgerät bleibt sicher nicht hier (im Fahrzeug) liegen. Wo willst du es haben?

  375. Scott: Ah, lass es einfach da.

  376. Irwin: Auf dem Boden?

  377. Scott: Ja. (lange Pause)

  378. Das Bohrgerät liegt vor dem LMPNASALMPLunar Module Pilot‑Sitz. Jim nimmt es mit rechts, macht eine Vierteldrehung nach rechts und lässt das Gerät neben sich fallen. So liegt es nicht im Weg, wenn Dave gleich losfährt. Dann zieht Jim die 16‑mm‑Filmkamera (LDACNASALDACLunar Surface Data Acquisition Camera) samt Stativ aus der Verlängerung des rechten inneren Handgriffs, um den Grand Prix zu filmen. Da er an seiner RCUNASARCURemote Control Unit keine Fotokamera (HEDCNASAHEDCHasselblad Electric Data Camera) trägt, könnte Jim stattdessen die Filmkamera montieren, denn sie hat ebenfalls eine entsprechende Schiene.

  379. Scott: Ist ein funktionierendes Magazin an der Kamera? Probier es lieber aus.

  380. Irwin: Hab ich vorhin getan, mit 1 Bild/Sekunde.

  381. Scott: Okay.

  382. Irwin: Ich schalte sie noch mal kurz ein.

  383. Allen: Gute Idee, Jim. (Pause) Dave, während du einsteigst, aus den …

  384. Scott: Die Parabolantenne (HGANASAHGAHigh-Gain Antenna) wird …

  385. Allen: … abgelesenen Werten (bei ) ergibt sich die Fahrzeugausrichtung 292. (LRV‑Konsole)

  386. Fernsehübertragung unterbrochen.

    Als die Übertragung endete, hielt Jim die Filmkamera (LDACNASALDACLunar Surface Data Acquisition Camera) in der Hand. Ob er sie an seine RCUNASARCURemote Control Unit montiert hat, bevor er den Grand Prix filmte, ist nicht bekannt.

  387. Scott: Okay, Joe. Ich habe das NAVNASANAVNavigation System (LRV)-System heute noch nicht zurückgesetzt, aber die Anzeigen standen alle auf null, als ich hier ankam.

  388. Allen: Ist in Ordnung für mich.

  389. Scott: PM1NASAPMPhase Modulation (Transceiver 1)/ WBNASAWBWide Band (LCRU‑Ansicht). (lange Pause) Okay. Ich brauche den praktischen …

  390. Irwin: Okay. Die Kamera (LDACNASALDACLunar Surface Data Acquisition Camera) ist eingestellt.

  391. Scott: Okay. (Pause) (liest CDR-20 od. CDR-37) Okay. Die Sonne soll sich über deiner rechten Schulter befinden, darum dreh dich etwas nach rechts. Es müssen 45 Grad sein. Wenn du in Richtung Schaber-Höhe siehst, stimmt es.

  392. Die Schaber-Höhe liegt unmittelbar nördlich von Krater Pluton, gehört also zur Nord-Gruppe. Der Hügel ist etwas mehr als 4 Kilometer von der Landestelle entfernt und ca. 100 Meter hoch (LROC-QuickMap). Einzelheiten zur Identifizierung sind im Kommentar nach zu lesen.

  393. Irwin: Du musst hier zuerst eine scharfe Kurve fahren, damit kein Staub auf meine Experimente geschleudert wird.

  394. Scott: Mach ich. Pass auf beim Rückwärtslaufen, Jim.

  395. Irwin: Ah, keine Sorge.

  396. Scott: Jaja. (lange Pause)

  397. Dave ist noch nicht losgefahren. Er warnt Jim, weil Rückwärtslaufen auf dem Mond sehr leicht zum Sturz führen kann.

  398. Irwin: Du könntest dort auch links abbiegen, Dave. Dann gehe ich etwas weiter zurück.

  399. Scott: Okay. Sobald mein Sicherheitsgurt eingehakt ist. (lange Pause) Meine Güte.

  400. Allen: Dave, bevor du losfährst, überprüf bitte, ob deine Fahrtrichtungsanzeige auf 292 steht. (LRV‑Konsole)

  401. Scott: Okay, Joe. (lange Pause) Richtungswinkel wird eingestellt (LRV‑Konsole). (Pause) Kann länger dauern. (Pause) Ein Kippschalter, der stehen bleibt, wäre angenehmer als einer, den man halten muss! (Pause) In , Jim. Ich habe noch ungefähr 90 Grad.

  402. Irwin: Keine Eile.

  403. Allen: Genieß die Aussicht, Jimmy.

  404. Irwin: Ja. Ich suche nach den großen Felsbrocken in der Gegend.

  405. Allen: Ausgezeichnet. Und erinnere Dave noch einmal daran, dass du auf deinen Experimenten keinen Staub sehen willst. (Pause)

  406. Irwin: (Lachen) (Pause)

  407. Scott: Hey, Joe, du hast mir bis jetzt nicht gesagt, dass der Bohrkern wirklich wichtig ist. Sag mir einfach, dass dieser Bohrkern tatsächlich so wichtig ist. Ich würde mich dann wesentlich besser fühlen.

  408. Allen: Der Bohrkern ist so wichtig, Dave.

  409. Scott: Okay. Gut. In dem Fall habe ich die Zeit wohl nicht verschwendet.

  410. Allen: Nein. Im Ernst, Dave und Jim, dieses Probenmaterial kommt ohne Frage aus der bisher größten Tiefe und ist womöglich so alt wie der Mond selbst.

  411. Grant Heiken, der praktisch jedes Staubkorn darin einzeln untersucht hat, bezeichnete diesen Bohrkern als die wertvollste Probe, die vom Mond mitgebracht wurde. Sie enthält 58 unterscheidbare Schichten und somit eine detaillierte Aufzeichnung der komplexen Vergangenheit dieser Stelle, in der viele Impaktereignisse ihr Auswurfmaterial dort ablagerten, entstandene Schichten immer wieder umwendeten und erneut bedeckten. Eine Zusammenfassung der Untersuchungsergebnisse zur tiefen Kernprobe von Apollo 15 ist im Artikel über die Proben 15001 – 15006 des Kompendiums der Proben vom Mond (The Lunar Sample Compendium) zu lesen.

  412. Scott: Na dann bin ich beruhigt.

  413. Das Folgende stammt aus einer im .

    Jones: Grant Heiken und ich sprachen kürzlich über Ihre Bohrungen für das HFENASAHFEHeat Flow Experiment beziehungsweise die tiefe Kernprobe. Dabei fragten wir uns, wie gefährlich die Arbeit gewesen ist. Angenommen, ein Bohrer wäre gebrochen und Sie wären auf die Bruchstelle gefallen. Hätte das trotz der geringen Schwerkraft den Anzug beschädigen können? Beim Herausziehen der tiefen Kernprobe verletzten Sie sich an der Schulter. Wurde auch der Anzug dabei über die Maßen strapaziert? Etc.

    Scott: Nun, auf den Bohrer zu fallen wäre grundsätzlich nicht gut gewesen. Aber ich glaube, der Anzug hätte es ausgehalten, vor allem weil ich nicht viel wog. Aus demselben Grund konnte ich auch kaum Kraft von oben ausüben, viel zu wenig, um den Bohrer abzubrechen. Wie gesagt: 1/6g, ruhig stehend, geringes Gewicht (ganz egal, wie es in den Fernsehbildern wirkte!!). Was meine Schulterverletzung betrifft, als wir mit vollem Einsatz von unten gegen den Griff drückten, kam die Kraft aus den Beinen. Das hatte nichts mit dem Anzug zu tun.

    Jones: Im Gespräch mit den Historikern Stephen Ambrose und Douglas Brinkley für das Projekt »Zeitzeugen« des JSCNASAJSC(Lyndon B.) Johnson Space Center (JSC Oral History Project) lautete Neils Einschätzung der Risiken: Auf einer Skala von 1 bis 10 lag das Herumlaufen auf dem Mond bei 1 und das Landmanöver bei 13. (Oral History TranscriptNeil. A. Armstrong, Seite 86.) Wo würden Sie Ihre Arbeit mit dem Bohrer einordnen?

    Scott: Basierend auf dieser Skala – 13 für die Landung und 1 für die EVANASAEVAExtravehicular Activity – ungefähr 3, in puncto Risiko. haupt­sächlich wegen der Probleme beim Herausziehen des Bohrers und beim Trennen der Segmente, die ich mit der Hand festhalten musste. Der direkte Kontakt mit den scharfen Bohrwendeln, die sich zudem in den Handschuhen verdrehten, hätte erheblichen Schaden verursachen können. Wenn alles normal gelaufen wäre, würde ich sagen 1 oder 2.

  414. Scott: Okay, Joe. Die Fahrtrichtungsanzeige steht auf 292 (LRV‑Konsole). Und Jim, ich fahre nach links. (Pause) Damit kein Staub auf deine Experimente fliegt. (Pause) Okay, du stehst am richtigen Platz.

  415. Irwin: Ich bin bereit.

  416. Scott: Okay. Warte. Ich fahre da rüber und bringe mich in Position.

  417. Irwin: Okay. Dann gehe ich noch etwas zurück.

  418. Scott: Nein, alles bestens. Bleib genau dort. (Pause) Die Sonne steht über deiner rechten Schulter. So ist es gut. Okay. Eine kleine Linkskurve. Wenn du so weit bist, fahre ich los und halte die Geschwindigkeit konstant. (CDR-20)

  419. Irwin: Bin bereit.

  420. Scott: Okay. (Pause) Okay, ungefähr 7 Klicks. (LRV‑Konsole)

  421. Irwin: Kamera (LDACNASALDACLunar Surface Data Acquisition Camera) läuft. (Pause)

  422. Scott: 7 Kilometer pro Stunde. Sag mir, wann ich wenden soll.

  423. Irwin: Okay, du kannst wenden.

  424. Scott: Okay. Besser. (Lachen) (Pause) Okay. Jetzt die Beschleunigung (CDR-20). (Pause) Ein paar Manöver. Unterwegs mit 12 Klicks.

  425. Irwin: Lass dich nicht abwerfen.

  426. Bei der Fahrt mit hoher Geschwindigkeit im unebenen Gelände beginnt sich das Fahrzeug wegen der geringen Schwerkraft aufzuschaukeln. Jim sprach deshalb von einem bockenden Wildpferd (). Der 16‑mm‑Film des Grand Prix bei Apollo 16 () vermittelt einen guten Eindruck davon.

  427. Scott: Ja, Mann! (Pause) Okay. Ich fahre gleich eine Rechtskurve.

  428. Irwin: Du hast einen schönen Hahnenschweif erzeugt.

  429. Scott: Prima. Hier fahre ich rechtsrum. (Pause) Okay. Ich komme wieder vorbei und zeige dir die Vollbremsung (CDR-20). Vorausgesetzt, ich finde eine ebene Stelle, wo alles gut zu sehen ist.

  430. Allen: Jim, hier ist Houston. Funktioniert die Kamera (LDACNASALDACLunar Surface Data Acquisition Camera)?

  431. Scott: Okay. Und los.

  432. Irwin: Scheint so, Joe.

  433. Scott: Okay, hier kommt die Vollbremsung (CDR-20).

  434. Irwin: Okay. Ich überprüfe es. Ach, Mist!

  435. Scott: Läuft nicht?

  436. Irwin: (genervt) Läuft nicht.

  437. Scott: Du scherzt?!

  438. Irwin: Die Anzeige steht noch auf Voll.

  439. Scott: Ach, Mensch. Willst du es mit einem anderen Magazin versuchen?

  440. Irwin: Ich denke, wir sollten.

  441. Scott: Dann aber später, weil ich mich abschnallen und aussteigen müsste, um an das Sitzfach zu kommen.

  442. Die Filmmagazine liegen unter Daves Sitz.

  443. Irwin: Okay. (Pause) Die Filmverbrauchsanzeige steht nach wie vor auf Voll, Joe.

  444. Zu einem weiteren Versuch, den Grand Prix zu filmen, kam es nicht.

    Scott: Dieser Grand Prix entsprach im Grunde einem Qual-Test, der Qualitativen Bewertung eines Flugzeugs. Wenn man nur einen einzigen Testflug durchführen kann, wird ein sehr detaillierter Flugplan ausgearbeitet, um so viel wie möglich über Leistung, Stabilität und Steuerung herauszufinden. Das Gleiche taten wir für die Testfahrt mit dem LRVNASALRVLunar Roving Vehicle. Losfahren, Anhalten, Kurven, Beschleunigung, Geschwindigkeiten, alles wurde sorgfältig geplant und sollte auf einer genau festgelegten Strecke passieren. Zu schade, dass wir den Film nicht haben.

    Jones: Das wir bei der Planung steht in dem Fall für Sie, Jim sowie die Fahrzeugkonstrukteure und -techniker?

    Scott: Im Wesentlichen Jim und ich, aufgrund unserer Testflugerfahrung. Wir betrachteten das LRVNASALRVLunar Roving Vehicle als eine Art Flugzeug, denn es hatte einen Steuerknüppel. Für Testpiloten hat Qual-Test eine klar umrissene Bedeutung. Es ist ein einziger Flug, bei dem die im Handbuch beschriebenen Möglichkeiten des Flugzeugs umfassend getestet werden. Man liest das Handbuch und überlegt, wie man das, was drinsteht, in oder so testen kann – alle Manöver: Steigen, Sinken, Kurvenflug, Beschleunigen. Auch dabei lernt man etwas über ein Flugzeug. Ein erster Flug, in den alles reingepackt wird, ist hochinteressant. Tatsächlich war das letzte Examen der Testpilotenausbildung ein Qual-Test mit einem Flugzeug, in dem man noch nie geflogen ist. Sozusagen das Abschlussexamen an der Testpilotenschule. Was man danach in den Testbericht schrieb, zeigte den Prüfern, wie gut man gelernt hat, ein Flugzeug zu testen. Die Prüfer kannten die richtigen Antworten und man flog los, um sie selbst zu finden.

    Jones: Offensichtlich war der Grand Prix den Leuten so wichtig, dass er bei Apollo 16 wiederholt wurde, um die Filmaufnahmen zu bekommen.

  445. Allen: Okay, Dave und Jim. Es war den Versuch wert. Fahren wir weiter zu Station 9 und werfen dann entspannt einen Blick auf die Rille.

  446. Scott: Ja, gute Idee, Joe. Die beste Idee, die du heute Morgen gehabt hast. Keine Ahnung, was mit dieser Kamera (LDACNASALDACLunar Surface Data Acquisition Camera) nicht stimmt. Ich habe alle Magazine überprüft und bei jedem den Film mehrmals mit dem Finger verschoben, damit die Perforation wirklich an der roten Markierung ausgerichtet ist. Deshalb … (Pause)

  447. Allen: Verstanden, Dave. Ist uns auch ein Rätsel. Du hast dich jedenfalls strikt an die Betriebsanleitung gehalten.

  448. Scott: (zu Jim) Ah, Moment. Ich … Nein, nicht. Bleib so. Ich steige kurz aus. (Pause) Ich muss aussteigen und deinen Sicherheitsgurt bei dir drüben einhaken.

  449. Jim sitzt im Fahrzeug und braucht wie üblich Hilfe beim Einhaken des Sicherheitsgurts.

  450. Allen: Dave, während Jim einsteigt. Könnte einer von euch die Fahrzeuganzeigen ablesen?

  451. Irwin: Ich gebe sie durch, Joe. (Pause) Beginne mit Fahrzeugausrichtung …

  452. Allen: Ich höre.

  453. Irwin: … 72 …

  454. Scott: Du musst aussteigen. Das hat Zeit. Sitz ab. Du kannst sie nachher durchgeben. (lange Pause) Okay, jetzt gib mir den Verlängerungsgriff. (lange Pause) Okay, wie wär’s, wenn du wieder auf deinen Sitz springst? Schön locker. Soll ich deine Kamera halten?

  455. Irwin: Geht schon. (Pause)

  456. Scott: Lehn dich nicht so weit zurück, Jim, wenn du auf den Sitz springst. Dabei kommt jedes Mal dein … Dein PLSSNASAPLSSPortable Life Support System etwas absenken. (Pause) Okay, du sitzt und bist angeschnallt. (Pause)